Smiðjuvegi 68 - 72 - 200 Kópavogi - Sími: 575 9300
Nýskráning
|
Innskráning
|
English
Vörur
Þjónusta
Starfsfólk
Staðsetningar
Vörur
Hafðu samband
Allar staðsetningar
til baka
Vatn & veitur - Kópavogi
Reykjanesbær
Selfoss
Akureyri
Fagkaup - Skrifstofa
Þjónusta
Þjónusta
Reikningsviðskipti
Fyrirtækið
Fréttir
Staðsetningar
Starfsfólk
Um Vatn & veitur
English
Overview
Contact us
Innskráning
Nýskráning
Karfan þín er tóm
Vörur
Neysluvatnslagnir
Galv. skrúfað
Ryðfrítt skrúfað
Lím fittings
Kopar skrúfað
Pressefni Ál-Pex
Álpex í stöngum
Álpex í rúllum
Álpex með einangrun
Press Hné
Press Nippilhné
Press Múffuhné
Press Té
Press Nippiltengi
Press Múffutengi
Press Samtengi
Press Vegghné
Lauskónar Hné
Lauskónar Nippilhné
Lauskónar Múffuhné
Lauskónar Té
Lauskónar Nippiltengi
Lauskónar Múffutengi
Lauskónar Samtengi
Lauskónar Vegghné
Tengirær
Verkfæri fyrir Álpex
Verkfæri
Álpex ádregið
PP-R lagnir
Pressefni Ryðfrítt
Hitaveitulagnir
Frárennslislagnir
Festingar og verkfæri
Einangrun og efnavara
Sprinkler og brunavarnir
Stjórnbúnaður
Dælur
Vatnsveitur og snjóbræðsla
Hreinlætistæki - Fylgihlutir
Hitabúnaður
Vatnsveitur
Pípulagnaefni
Álpex Lauskóna Múffu-Hné 20mm x 1/2"
Forsíða
>
Neysluvatnslagnir
>
Pressefni Ál-Pex
>
Lauskónar Múffuhné
>
Álpex Lauskóna Múffu-Hné 20mm x 1/2"
Skoða vörur framleiðanda
Innskráðir viðskiptavinir sjá sín verð og geta verslað úr tölvunni eða snjalltækjum.
Lagerstaða:
keflavik
Reykjanesbær
Til á lager
selfoss
Selfossi
Til á lager
vv-kop
Smiðjuvegi 68
Til á lager
0
0
0
0
0
0
0
0
0
0
0
0
56
Vöruhús
Til á lager
Tækniupplýsingar:
APE_Installation_1.2.pdf
APE_DVGW_1.1_vottun.pdf
APE_Tækniupplýsingar_1.2.pdf
Upplýsingar um vöru
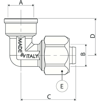
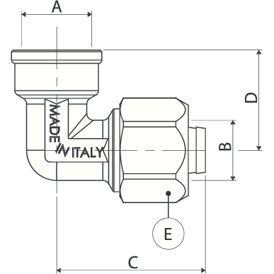
Vörunúmer:
E018L09220
Lauskóna Múffu-Hné
Stærð: 20mm x 1/2"
Fyrir álpex
Eiginleikar
Nafn eiginleika
Gildi eiginleika
Flokkur
Álpex Rör og Fittings
Gerð
Múffu Hné
Þvermál
20 mm
Þvermál (2)
1/2"
Stærð
1/2"x Ø20 (2.0) mm
Lengd (C)
44.5mm mm
Lengd (D)
30mm mm
Þvermál (B)
20 (2.0)mm mm
Bolti (E)
CH 28
Magn í pakkningu
10
Aukahlutir
Skyldar vörur
Nýlega skoðað
Flangsi 10" m/Grópuðum suðustút - Rauður
Flangsi með Grópuðum suðustút
Stærð: 10"
Litur: Rauður
Vörunúmer: E162701214
Innskrá fyrir verð
Til í vefverslun
Álpex Lauskóna Múffu-Té 20 x 1/2" x 20mm
Lauskóna Múffu-Té
Stærð: 20 x 1/2" x 20mm
Fyrir álpex
Vörunúmer: E018L13220
Innskrá fyrir verð
Til í vefverslun