Smiðjuvegi 68 - 72 - 200 Kópavogi - Sími: 575 9300
Nýskráning
|
Innskráning
|
English
Vörur
Þjónusta
Starfsfólk
Staðsetningar
Vörur
Hafðu samband
Allar staðsetningar
til baka
Vatn & veitur - Kópavogi
Reykjanesbær
Selfoss
Akureyri
Fagkaup - Skrifstofa
Þjónusta
Þjónusta
Reikningsviðskipti
Fyrirtækið
Fréttir
Staðsetningar
Starfsfólk
Um Vatn & veitur
English
Overview
Contact us
Innskráning
Nýskráning
Karfan þín er tóm
Vörur
Neysluvatnslagnir
Hitaveitulagnir
Frárennslislagnir
PP Rör og fittings
PVC Rör og fittings
Hljóðdeyfiplast
Göturör Magnacor
Göturör græn KG2000
Dælubrunnar
Brunnar/Sandföng/ Rotþrær
Skiljur
Pott Rör og fittings
Gólf Rennur
Gólfniðurföll
ACO niðurföll
ACO niðurföll ryðfrí
Lyktarloka
PP Rör og fitt. Hvítt/Kró
PEH Frárennsli
Skolplokar
Festingar og verkfæri
Einangrun og efnavara
Sprinkler og brunavarnir
Stjórnbúnaður
Dælur
Vatnsveitur og snjóbræðsla
Hreinlætistæki - Fylgihlutir
Hitabúnaður
Vatnsveitur
Pípulagnaefni
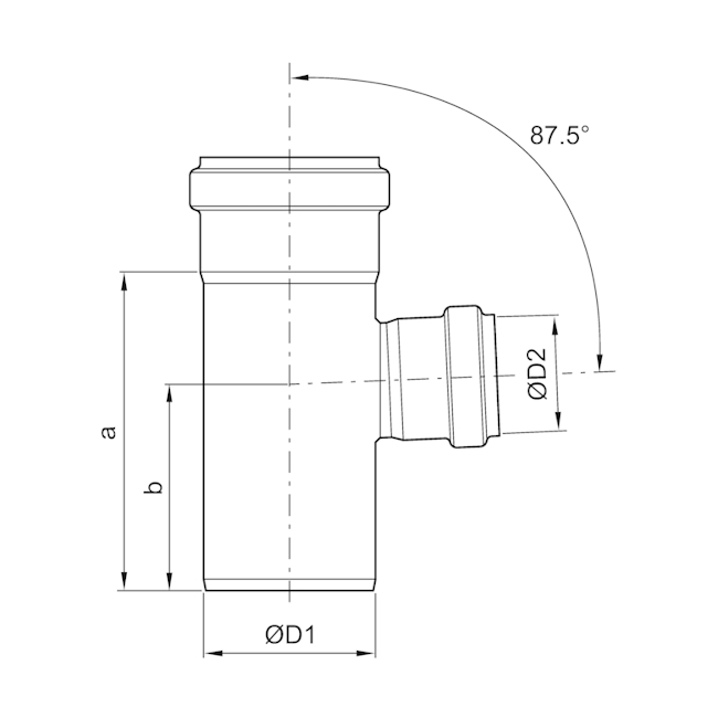
ACO Ryðfrí Grein DN 160/110/87,5°
Forsíða
>
Frárennslislagnir
>
Gólfniðurföll
>
ACO niðurföll ryðfrí
>
ACO Ryðfrí Grein DN 160/110/87,5°
Skoða vörur framleiðanda
Innskráðir viðskiptavinir sjá sín verð og geta verslað úr tölvunni eða snjalltækjum.
Staða á vöru:
Væntanlegt
Ekki til á lager
Tækniupplýsingar:
070224-Upplysingar.pdf
Leitarorð
ryðfrítt
(90)
,
Niðurfall
(195)
,
niðurföll
(138)
,
ACO
(109)
,
Grein
(23)
Upplýsingar um vöru
Vörunúmer:
E028400693
ACO Ryðfrí Grein
DN 160/110/87,5°
Ryðfrítt stál
Fljótleg og auðveld uppsetning
Eiginleikar
Nafn eiginleika
Gildi eiginleika
Flokkur
Gólfniðurföll
Tegund
Frárennslislagnir
Gerð
Grein
Þvermál (d1)
160 mm
Þvermál (d2)
110 mm
Lengd (A)
288 mm
Lengd (B)
184 mm
Horn
87,5 °
Þyngd
2,3 kg
Aukahlutir
Skyldar vörur
Nýlega skoðað
Borbaula með flangs DN 160/80
Borbaula með flangs
Stærð: DN 160/80
Vörunúmer: EDE01004939
Innskrá fyrir verð
Til í vefverslun