Smiðjuvegi 68 - 72 - 200 Kópavogi - Sími: 575 9300
Nýskráning
|
Innskráning
|
English
Vörur
Þjónusta
Starfsfólk
Staðsetningar
Vörur
Hafðu samband
Allar staðsetningar
til baka
Vatn & veitur - Kópavogi
Reykjanesbær
Selfoss
Akureyri
Fagkaup - Skrifstofa
Þjónusta
Þjónusta
Reikningsviðskipti
Fyrirtækið
Fréttir
Staðsetningar
Starfsfólk
Um Vatn & veitur
English
Overview
Contact us
Innskráning
Nýskráning
Karfan þín er tóm
Vörur
Neysluvatnslagnir
Hitaveitulagnir
Frárennslislagnir
Festingar og verkfæri
Einangrun og efnavara
Sprinkler og brunavarnir
Stjórnbúnaður
Dælur
Vatnsveitur og snjóbræðsla
PEH Rör og Fittings
Snjóbræðslurör
Brunahanar
Hawle fittings
Hawle lokar og brunahanar
Huwa Klemmur og Borbaulur
Vatnsveituefni almennt
PE Spegilsuðu Fittings
PE Rafsuðu Fittings
PE Rafsuðu Hné
PE Rafsuðu Hálfhné
PE Rafsuðu Múffur
PE Rafsuðu Borbaulur
PE Rafsuðu Borbaulur með hníf
PE Rafsuðu Minnkanir
PE Rafsuðu Tengi
Veituefni sérpantað
Hreinlætistæki - Fylgihlutir
Hitabúnaður
Vatnsveitur
Pípulagnaefni
Borbaula með hníf DN 110/50 - SDR 11
Forsíða
>
Vatnsveitur og snjóbræðsla
>
PE Rafsuðu Fittings
>
PE Rafsuðu Borbaulur með hníf
>
Borbaula með hníf DN 110/50 - SDR 11
Skoða vörur framleiðanda
Innskráðir viðskiptavinir sjá sín verð og geta verslað úr tölvunni eða snjalltækjum.
Lagerstaða:
keflavik
Reykjanesbær
Til á lager
selfoss
Selfossi
Til á lager
vv-kop
Smiðjuvegi 68
Til á lager
0
0
0
0
0
0
0
0
0
0
0
0
18
Vöruhús
Til á lager
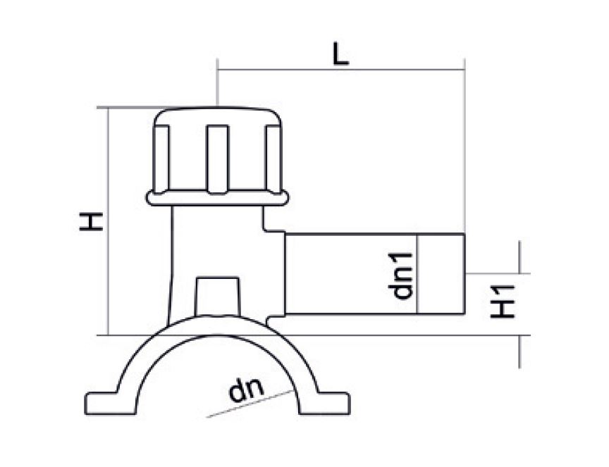
Upplýsingar um vöru
Vörunúmer:
ECPCP110050C1
Borbaula með hníf
Stærð: DN 110/50 - SDR 11
Eiginleikar
Nafn eiginleika
Gildi eiginleika
Flokkur
PE Rafsuðufittings
Gerð
Borbaula m/hníf
Þvermál (d4)
165 mm
DN
110 mm
SDR
11
PN
16
Stærð
DN 110/50 - SDR 11
Nafnmál
110
Nafnmál 1
50
Þyngd
1,1 kg
h
176
H1
20 mm
Aukahlutir
Skyldar vörur
Nýlega skoðað
Rafsuðu Hálfhné 45°, 50mm
PE Rafsuðu Hálfhné, 45°, 50mm.
Stærð: DN50 - SDR11
Vörunúmer: E490604050
Innskrá fyrir verð
Til í vefverslun
Press Nippil-Hálf-Hné Ryðfrítt 22mm
Press Nippil-Hálf-Hné
Stærð: 22mm
Efnisgerð: Ryðfrítt stál
Vörunúmer: E372121022
Innskrá fyrir verð
Til í vefverslun
Press Nippil-Hálf-Hné Ryðfrítt 15mm
Press Nippil-Hálf-Hné
Stærð: 15mm
Efnisgerð: Ryðfrítt stál
Vörunúmer: E372121015
Innskrá fyrir verð
Til í vefverslun
Press Té Ryðfrítt 22 x 15 x 22 mm
Press Té
Stærð: 22 x 15 x 22 mm
Efnisgerð: Ryðfrítt stál
Vörunúmer: E372131221522
Innskrá fyrir verð
Til í vefverslun
Press Múffu-Hné Tengi Ryðfrítt 22mm x 3/4"
Press Múffu-Hné Tengi
Stærð: 22mm x 3/4"
Efnisgerð: Ryðfrítt stál
Vörunúmer: E3720095222
Innskrá fyrir verð
Til í vefverslun
Press Té Ryðfrítt 18 x 15 x 18 mm
Press Té
Stærð: 18 x 15 x 18 mm
Efnisgerð: Ryðfrítt stál
Vörunúmer: E372131181518
Innskrá fyrir verð
Til í vefverslun
Press Múffu-Hné Tengi Ryðfrítt 15mm x 1/2"
Press Múffu-Hné Tengi
Stærð: 15mm x 1/2"
Efnisgerð: Ryðfrítt stál
Vörunúmer: E3720095151
Innskrá fyrir verð
Til í vefverslun
Press Múffu-Té Ryðfrítt 15mm x 1/2" x 15mm
Press Múffu-Té
Stærð: 15mm x 1/2" x 15 mm
Efnisgerð: Ryðfrítt stál
Vörunúmer: E37213315115
Innskrá fyrir verð
Til í vefverslun
Hoiax hitakútur Quadro L110 lárréttur
Hoiax hitakútur Quadro L110 lárréttur
Vörunúmer: HO8025472
Innskrá fyrir verð
Til í vefverslun