Smiðjuvegi 68 - 72 - 200 Kópavogi - Sími: 575 9300
Nýskráning
|
Innskráning
|
English
Vörur
Þjónusta
Starfsfólk
Staðsetningar
Vörur
Hafðu samband
Allar staðsetningar
til baka
Vatn & veitur - Kópavogi
Reykjanesbær
Selfoss
Akureyri
Fagkaup - Skrifstofa
Þjónusta
Þjónusta
Reikningsviðskipti
Fyrirtækið
Fréttir
Staðsetningar
Starfsfólk
Um Vatn & veitur
English
Overview
Contact us
Innskráning
Nýskráning
Karfan þín er tóm
Vörur
Neysluvatnslagnir
Hitaveitulagnir
Frárennslislagnir
Festingar og verkfæri
Einangrun og efnavara
Sprinkler og brunavarnir
Stjórnbúnaður
Dælur
Vatnsveitur og snjóbræðsla
PEH Rör og Fittings
PEH Rör
PEH Hné
PEH Té
PEH Nippiltengi
PEH Múffutengi
PEH Samtengi
Innlegg
PEH Borbaulur
Aukahlutir og verkfæri
Snjóbræðslurör
Brunahanar
Hawle fittings
Hawle lokar og brunahanar
Huwa Klemmur og Borbaulur
Vatnsveituefni almennt
PE Spegilsuðu Fittings
PE Rafsuðu Fittings
Veituefni sérpantað
Hreinlætistæki - Fylgihlutir
Hitabúnaður
Vatnsveitur
Pípulagnaefni
Borbaula m/styrkingu 1" x 75mm
Forsíða
>
Vatnsveitur og snjóbræðsla
>
PEH Rör og Fittings
>
PEH Borbaulur
>
Borbaula m/styrkingu 1" x 75mm
Skoða vörur framleiðanda
Innskráðir viðskiptavinir sjá sín verð og geta verslað úr tölvunni eða snjalltækjum.
Staða á vöru:
Væntanlegt
Ekki til á lager
Tækniupplýsingar:
221223-VDL_6.50_Uppl.pdf
221223-VDL_ISO_Vottun.pdf
Aðrar upplýsingar
Vefslóð framleiðanda
Leitarorð
plast
(20)
,
Borbaula
(50)
,
Styrking
(24)
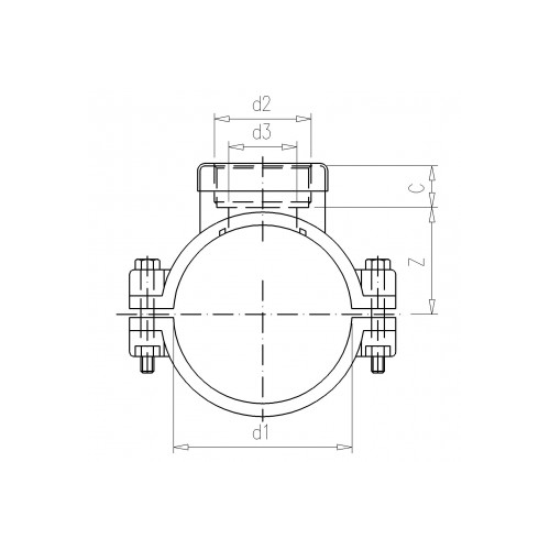
Upplýsingar um vöru
Vörunúmer:
E0110375
Borbaula með styrkingu
Stærð: 1" x 75mm
Eiginleikar
Nafn eiginleika
Gildi eiginleika
Flokkur
PEH Rör og Fittings
Gerð
Borbaulur
Þvermál (d1)
75 mm
Þvermál (d2)
1 "
Þvermál (d3)
23 mm
Lengd (L)
92 mm
Stærð
1" x 75mm
Hæð (C)
22 mm
Hæð (Z)
46 mm
Unit
25
Aukahlutir
Skyldar vörur
Nýlega skoðað