Smiðjuvegi 68 - 72 - 200 Kópavogi - Sími: 575 9300
Nýskráning
|
Innskráning
|
English
Vörur
Þjónusta
Starfsfólk
Staðsetningar
Vörur
Hafðu samband
Allar staðsetningar
til baka
Vatn & veitur - Kópavogi
Reykjanesbær
Selfoss
Akureyri
Fagkaup - Skrifstofa
Þjónusta
Þjónusta
Reikningsviðskipti
Fyrirtækið
Fréttir
Staðsetningar
Starfsfólk
Um Vatn & veitur
English
Overview
Contact us
Innskráning
Nýskráning
Karfan þín er tóm
Vörur
Neysluvatnslagnir
Hitaveitulagnir
Frárennslislagnir
PP Rör og fittings
PVC Rör og fittings
Hljóðdeyfiplast
Göturör Magnacor
Göturör græn KG2000
Dælubrunnar
Brunnar/Sandföng/ Rotþrær
Skiljur
Pott Rör og fittings
Gólf Rennur
Gólfniðurföll
PP Rör og fitt. Hvítt/Kró
PEH Frárennsli
Skolplokar
Hníflokar
Einstefnulokar
Festingar og verkfæri
Einangrun og efnavara
Sprinkler og brunavarnir
Stjórnbúnaður
Dælur
Vatnsveitur og snjóbræðsla
Hreinlætistæki - Fylgihlutir
Hitabúnaður
Vatnsveitur
Pípulagnaefni
EinstreymisLoki fyrir skólp DN 150
Forsíða
>
Frárennslislagnir
>
Skolplokar
>
Einstefnulokar
>
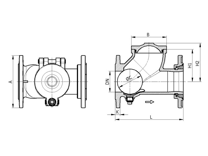
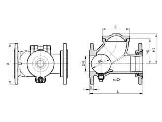
EinstreymisLoki fyrir skólp DN 150
Skoða vörur framleiðanda
Innskráðir viðskiptavinir sjá sín verð og geta verslað úr tölvunni eða snjalltækjum.
Staða á vöru:
Væntanlegt
Ekki til á lager
Tækniupplýsingar:
Hawle_5014005_Tækniuppl.pdf
Hawle_Vottanir.pdf
Leitarorð
Hawle
(609)
Upplýsingar um vöru
Vörunúmer:
ENC700049
EinstreymisLoki fyrir skólp
Stærð: DN 150
Eiginleikar
Nafn eiginleika
Gildi eiginleika
Flokkur
PVC Rör og Fittings
Þvermál
DN 150
DN
150 mm
Þrýstiþol (PN)
16 Bar
Stærð
DN 150
Aukahlutir
Skyldar vörur
Nýlega skoðað