Smiðjuvegi 68 - 72 - 200 Kópavogi - Sími: 575 9300
Nýskráning
|
Innskráning
|
English
Vörur
Þjónusta
Starfsfólk
Staðsetningar
Vörur
Hafðu samband
Allar staðsetningar
til baka
Vatn & veitur - Kópavogi
Reykjanesbær
Selfoss
Akureyri
Fagkaup - Skrifstofa
Þjónusta
Þjónusta
Reikningsviðskipti
Fyrirtækið
Fréttir
Staðsetningar
Starfsfólk
Um Vatn & veitur
English
Overview
Contact us
Innskráning
Nýskráning
Karfan þín er tóm
Vörur
Neysluvatnslagnir
Hitaveitulagnir
Frárennslislagnir
Festingar og verkfæri
Rörafestingar
Boltar og skrúfur
Sprinkler festingar
Ryðfríar festingar
Aðrar festingar
Kúluliðir
Prófíltappar
Múrhulsur
Verkfæri
Einangrun og efnavara
Sprinkler og brunavarnir
Stjórnbúnaður
Dælur
Vatnsveitur og snjóbræðsla
Hreinlætistæki - Fylgihlutir
Hitabúnaður
Vatnsveitur
Pípulagnaefni
Múrhulsa 10mm - Járn
Forsíða
>
Festingar og verkfæri
>
Aðrar festingar
>
Múrhulsur
>
Múrhulsa 10mm - Járn
Skoða vörur framleiðanda
Innskráðir viðskiptavinir sjá sín verð og geta verslað úr tölvunni eða snjalltækjum.
Lagerstaða:
keflavik
Reykjanesbær
Til á lager
selfoss
Selfossi
Til á lager
vv-kop
Smiðjuvegi 68
Til á lager
0
0
0
0
0
0
0
0
0
0
0
0
19272
Vöruhús
Til á lager
Upplýsingar um vöru
Vörunúmer:
E141012
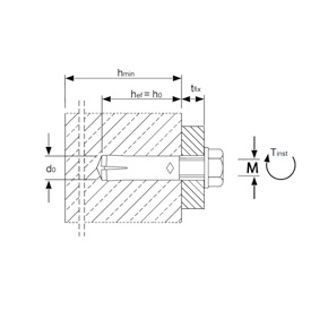
Múrhulsa
Stærð: 10mm
Efnisgerð: Járn
Eiginleikar
Nafn eiginleika
Gildi eiginleika
Flokkur
Rörafestingar
Gerð
Múrhulsur
Lengd
15 mm
Stærð
10mm
Borhola x Dýpt
12 x 40 mm
Hámarks Skrúfdýpt
15 mm
Lágmarks Skrúfdýpt
11 mm
Skrúfgangur (M)
M10
Unit
50
Þyngd
0,022 kg
Aukahlutir
Skyldar vörur
Nýlega skoðað
Kopar Framlenging 3/8" x 30mm
Framlenging
Stærð: 3/8" x 30mm
Efnisgerð: Kopar
Vörunúmer: E320526030K
Innskrá fyrir verð
Til í vefverslun