Smiðjuvegi 68 - 72 - 200 Kópavogi - Sími: 575 9300
Nýskráning
|
Innskráning
|
English
Vörur
Þjónusta
Starfsfólk
Staðsetningar
Vörur
Hafðu samband
Allar staðsetningar
til baka
Vatn & veitur - Kópavogi
Reykjanesbær
Selfoss
Akureyri
Fagkaup - Skrifstofa
Þjónusta
Þjónusta
Reikningsviðskipti
Fyrirtækið
Fréttir
Staðsetningar
Starfsfólk
Um Vatn & veitur
English
Overview
Contact us
Innskráning
Nýskráning
Karfan þín er tóm
Vörur
Neysluvatnslagnir
Hitaveitulagnir
Svart skrúfað
Gólfhiti
Viðgerðartengi
Suðufittings
Kopar lóðað
Pex lagnaefni
Kopartengi
Pressefni Galvaniserað
Galv.Press Rör
Galv.Press Bogarör
Galv.Press Yfirbeygjur
Galv.Press Hné
Galv.Press Nippilhné
Galv.Press Kubbar
Galv.Press Múffuhné
Galv.Press Hálfhné
Galv.Press Nippil Hálfhné
Galv.Press Té
Galv.Press Nippiltengi
Galv.Press Múffutengi
Galv.Press Minnkanir
Galv.Press Múffur
Galv.Press Tappar
Frárennslislagnir
Festingar og verkfæri
Einangrun og efnavara
Sprinkler og brunavarnir
Stjórnbúnaður
Dælur
Vatnsveitur og snjóbræðsla
Hreinlætistæki - Fylgihlutir
Hitabúnaður
Vatnsveitur
Pípulagnaefni
Press Nippil-Hné Galvaniserað 15mm
Forsíða
>
Hitaveitulagnir
>
Pressefni Galvaniserað
>
Galv.Press Nippilhné
>
Press Nippil-Hné Galvaniserað 15mm
Skoða vörur framleiðanda
Innskráðir viðskiptavinir sjá sín verð og geta verslað úr tölvunni eða snjalltækjum.
Lagerstaða:
keflavik
Reykjanesbær
Til á lager
selfoss
Selfossi
Til á lager
vv-kop
Smiðjuvegi 68
Til á lager
0
0
0
0
0
0
0
0
0
0
0
0
1678
Vöruhús
Til á lager
Tækniupplýsingar:
Vimoter_Galv_Bæklingur.pdf
Vimoter_Tæknileiðbeiningar.pdf
Upplýsingar um vöru
Vörunúmer:
E375092015
Press Nippil-Hné
Stærð: 15mm
Efnisgerð: Galvaniserað stál
Eiginleikar
Nafn eiginleika
Gildi eiginleika
Flokkur
Press rör og fittings - Galvaniserað stál
Gerð
Nippil Hné
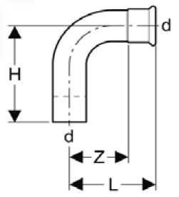
Þvermál
15 mm
Þvermál (d)
15 mm
Lengd (L)
41 mm
Lengd (Z)
20 mm
Stærð
15mm
Litur
Galvaniserað
Magn í pakkningu
20
Þyngd
0,048 kg
Aukahlutir
Skyldar vörur
Nýlega skoðað
PP-R Múffusöðull 125mm x 1"
PP-R Múffusöðull
Stærð: 125mm x 1"
Vörunúmer: E1728266
Innskrá fyrir verð
Til í vefverslun
Press Yfirbeygja Ryðfrí 22mm
Press Yfirbeygja
Stærð: 22mm
Efnisgerð: Ryðfrítt stál
Vörunúmer: E372085022
Innskrá fyrir verð
Til í vefverslun
ISO2 Hawle Samtengi 32-25 Minnkun
ISO2 Hawle Samtengi 32-25 Minnkun POM
Vörunúmer: EFA31001610
Innskrá fyrir verð
Til í vefverslun
PP-R FS Múffutengi 63mm x 1 1/2"
PPr Múffutengi fyrir sprinkler
Stærð: 63mm x 1 1/2"
Litur: Rauður
Vörunúmer: E17S4121119
Innskrá fyrir verð
Til í vefverslun
Suðu-Lok 3" x 3,0mm
Suðu-Lok
Stærð: 3" x 3,0mm
Vörunúmer: E1053008
Innskrá fyrir verð
Álpex Nippiltengi 32mm x 1 1/4"
Mainpex Nippiltengi
Stærð: 32mm x 1 1/4"
Vörunúmer: E30202404
Innskrá fyrir verð
Til í vefverslun
Skrúfbútur 3/4" - 50mm Galvaniseraður
Skrúfbútur
Stærð: 3/4" - 50mm
Efnisgerð: Galvaniserað stál
Vörunúmer: E100232005
Innskrá fyrir verð
Til í vefverslun
Press Té Ryðfrítt 18mm
Press Té
Stærð: 18mm
Efnisgerð: Ryðfrítt stál
Vörunúmer: E37213018
Innskrá fyrir verð
Til í vefverslun
Þéttikragi OD 180mm
Þéttikragi
OD 180mm
Vörunúmer: E01012810
Innskrá fyrir verð
Þéttikragi OD 250mm
Þéttikragi
OD 250mm
Vörunúmer: E01012813
Innskrá fyrir verð
Til í vefverslun