Smiðjuvegi 68 - 72 - 200 Kópavogi - Sími: 575 9300
Nýskráning
|
Innskráning
|
English
Vörur
Þjónusta
Starfsfólk
Staðsetningar
Vörur
Hafðu samband
Allar staðsetningar
til baka
Vatn & veitur - Kópavogi
Reykjanesbær
Selfoss
Akureyri
Fagkaup - Skrifstofa
Þjónusta
Þjónusta
Reikningsviðskipti
Fyrirtækið
Fréttir
Staðsetningar
Starfsfólk
Um Vatn & veitur
English
Overview
Contact us
Innskráning
Nýskráning
Karfan þín er tóm
Vörur
Neysluvatnslagnir
Galv. skrúfað
Ryðfrítt skrúfað
Lím fittings
Kopar skrúfað
Pressefni Ál-Pex
Álpex ádregið
PP-R lagnir
Pressefni Ryðfrítt
Ryðfr.Press Rör
Ryðfr.Press Bogarör
Ryðfr.Press Yfirbeygjur
Ryðfr.Press Hné
Ryðfr.Press Nippilhné
Ryðfr.Press Vegghné
Ryðfr.Press Múffuhné
Ryðfr.Press Nippilhné Tengi
Ryðfr.Press Hálfhné
Ryðfr.Press Nippil-Hálfhné
Ryðfr.Press Té
Ryðfr.Press Nippiltengi
Ryðfr.Press Múffutengi
Ryðfr.Press Minnkanir
Ryðfr.Press Múffur
Ryðfr.Press Tappar
Ryðfr.Press Unionar og Flangsar
Ryðfr.Press Unionar og Flangsa
Press Verkfæri
Ryðfr.Press Gas
Hitaveitulagnir
Frárennslislagnir
Festingar og verkfæri
Einangrun og efnavara
Sprinkler og brunavarnir
Stjórnbúnaður
Dælur
Vatnsveitur og snjóbræðsla
Hreinlætistæki - Fylgihlutir
Hitabúnaður
Vatnsveitur
Pípulagnaefni
Press Té Ryðfrítt 54x18x54mm
Forsíða
>
Neysluvatnslagnir
>
Pressefni Ryðfrítt
>
Ryðfr.Press Té
>
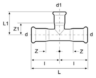
Press Té Ryðfrítt 54x18x54mm
Skoða vörur framleiðanda
Innskráðir viðskiptavinir sjá sín verð og geta verslað úr tölvunni eða snjalltækjum.
Lagerstaða:
keflavik
Reykjanesbær
Til á lager
selfoss
Selfossi
Til á lager
vv-kop
Smiðjuvegi 68
Til á lager
0
0
0
0
0
0
0
0
0
0
0
0
50
Vöruhús
Til á lager
Tækniupplýsingar:
Vimoter_Ryðfr_Bæklingur.pdf
Vimoter_Tæknileiðbeiningar.pdf
Upplýsingar um vöru
Vörunúmer:
E372131541854
Press Té
Stærð: 54x18x54mm
Efnisgerð: Ryðfrítt stál
Eiginleikar
Nafn eiginleika
Gildi eiginleika
Flokkur
Pressuð rör & fitt. Ryð
Gerð
Té
Þvermál
54 mm
Þvermál (2)
18mm
Þvermál (3)
54mm
Þvermál (d)
54 mm
Þvermál (d1)
18 mm
Lengd (L)
142 mm
Lengd (L1)
55 mm
Lengd (Z)
34 mm
Lengd (Z1)
34 mm
Stærð
54x18x54mm
Lengd (l)
71 mm
Litur
Ryðfrítt
Magn í pakkningu
15
Þyngd
0,33 kg
Aukahlutir
Skyldar vörur
Nýlega skoðað
PVC Lím Múffu-Nippil-Nippiltengi 32/40mm x 3/4"
Múffu-Nippil-Nippiltengi
Stærð: 32/40mm x 3/4"
Límt PVC
Vörunúmer: E01628032402
Innskrá fyrir verð
Til í vefverslun