Smiðjuvegi 68 - 72 - 200 Kópavogi - Sími: 575 9300
Nýskráning
|
Innskráning
|
English
Vörur
Þjónusta
Starfsfólk
Staðsetningar
Vörur
Hafðu samband
Allar staðsetningar
til baka
Vatn & veitur - Kópavogi
Reykjanesbær
Selfoss
Akureyri
Fagkaup - Skrifstofa
Þjónusta
Þjónusta
Reikningsviðskipti
Fyrirtækið
Fréttir
Staðsetningar
Starfsfólk
Um Vatn & veitur
English
Overview
Contact us
Innskráning
Nýskráning
Karfan þín er tóm
Vörur
Neysluvatnslagnir
Galv. skrúfað
Ryðfrítt skrúfað
Lím fittings
U-PVC Rör
PVC Barkar
U-PVC Hné
U-PVC Nippil Hné
U-PVC Té
U-PVC Múffur
U-PVC Minnkanir
U-PVC Múffutengi
U-PVC Brjóstnipplar
U-PVC Nippilformúffur
U-PVC Nippiltengi
U-PVC Unionar
U-PVC Lok
U-PVC Slöngutengi
U-PVC Hálf hné
U-PVC Flangsar og Gúmmípk.
U-PVC Krossar
U-PVC Snittaðar minnkanir
U-PVC Fylgihlutir og festingar
Lím og hreinsir
PVC Kúlulokar
PVC Spjaldlokar
PVC Einstreymislokar
Kopar skrúfað
Pressefni Ál-Pex
Álpex ádregið
PP-R lagnir
Pressefni Ryðfrítt
Hitaveitulagnir
Frárennslislagnir
Festingar og verkfæri
Einangrun og efnavara
Sprinkler og brunavarnir
Stjórnbúnaður
Dælur
Vatnsveitur og snjóbræðsla
Hreinlætistæki - Fylgihlutir
Hitabúnaður
Vatnsveitur
Pípulagnaefni
PVC Lím Flangshringur 160mm
Forsíða
>
Neysluvatnslagnir
>
Lím fittings
>
U-PVC Flangsar og Gúmmípk.
>
PVC Lím Flangshringur 160mm
Skoða vörur framleiðanda
Innskráðir viðskiptavinir sjá sín verð og geta verslað úr tölvunni eða snjalltækjum.
Lagerstaða:
keflavik
Reykjanesbær
Til á lager
selfoss
Selfossi
Til á lager
vv-kop
Smiðjuvegi 68
Til á lager
0
0
0
0
0
0
0
0
0
0
0
0
6
Vöruhús
Til á lager
Tækniupplýsingar:
VDL_Installation.pdf
VDL_ISO_Vottun.pdf
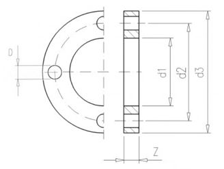
Upplýsingar um vöru
Vörunúmer:
E016321160
Flangshringur
Stærð: 160mm
Límt PVC
Eiginleikar
Nafn eiginleika
Gildi eiginleika
Flokkur
Límd Rör og Fittings
Gerð
Flansar og Gúmmípakkningar
Þvermál
160 mm
Þvermál (d1)
190mm mm
Þvermál (d2)
240mm mm
Þvermál (d3)
285mm mm
Þvermál (Dia)
160mm mm
DN
150mm mm
Boltar x Stærð bolta (#xD)
8 boltar x 22mm
Lengd (Z)
28mm mm
Stærð
160mm
Magn í pakkningu
10
Aukahlutir
Skyldar vörur
Nýlega skoðað
Hné 3" - Rauður
Hné
Stærð: 3"
Litur: Rauður
Vörunúmer: E162705008
Innskrá fyrir verð
Til í vefverslun
Viðgerðarklemma 243-253mm / 200mm
Viðgerðarklemma
Stærð: 243-253mm / 200mm
Vörunúmer: E1024320
Innskrá fyrir verð
Til í vefverslun