Smiðjuvegi 68 - 72 - 200 Kópavogi - Sími: 575 9300
Nýskráning
|
Innskráning
|
English
Vörur
Þjónusta
Starfsfólk
Staðsetningar
Vörur
Hafðu samband
Allar staðsetningar
til baka
Vatn & veitur - Kópavogi
Reykjanesbær
Selfoss
Akureyri
Fagkaup - Skrifstofa
Þjónusta
Þjónusta
Reikningsviðskipti
Fyrirtækið
Fréttir
Staðsetningar
Starfsfólk
Um Vatn & veitur
English
Overview
Contact us
Innskráning
Nýskráning
Karfan þín er tóm
Vörur
Neysluvatnslagnir
Galv. skrúfað
Ryðfrítt skrúfað
Lím fittings
U-PVC Rör
PVC Barkar
U-PVC Hné
U-PVC Nippil Hné
U-PVC Té
U-PVC Múffur
U-PVC Minnkanir
U-PVC Múffutengi
U-PVC Brjóstnipplar
U-PVC Nippilformúffur
U-PVC Nippiltengi
U-PVC Unionar
U-PVC Lok
U-PVC Slöngutengi
U-PVC Hálf hné
U-PVC Flangsar og Gúmmípk.
U-PVC Krossar
U-PVC Snittaðar minnkanir
U-PVC Fylgihlutir og festingar
Lím og hreinsir
PVC Kúlulokar
PVC Spjaldlokar
PVC Einstreymislokar
Kopar skrúfað
Pressefni Ál-Pex
Álpex ádregið
PP-R lagnir
Pressefni Ryðfrítt
Hitaveitulagnir
Frárennslislagnir
Festingar og verkfæri
Einangrun og efnavara
Sprinkler og brunavarnir
Stjórnbúnaður
Dælur
Vatnsveitur og snjóbræðsla
Hreinlætistæki - Fylgihlutir
Hitabúnaður
Vatnsveitur
Pípulagnaefni
PVC Lím Flangshringur 225mm
Forsíða
>
Neysluvatnslagnir
>
Lím fittings
>
U-PVC Flangsar og Gúmmípk.
>
PVC Lím Flangshringur 225mm
Skoða vörur framleiðanda
Innskráðir viðskiptavinir sjá sín verð og geta verslað úr tölvunni eða snjalltækjum.
Lagerstaða:
keflavik
Reykjanesbær
Til á lager
selfoss
Selfossi
Til á lager
vv-kop
Smiðjuvegi 68
Til á lager
0
0
0
0
0
0
0
0
0
0
0
0
8
Vöruhús
Til á lager
Tækniupplýsingar:
VDL_Installation.pdf
VDL_ISO_Vottun.pdf
Upplýsingar um vöru
Vörunúmer:
E016321225
Flangshringur
Stærð: 225mm
Límt PVC
Eiginleikar
Nafn eiginleika
Gildi eiginleika
Flokkur
Límd Rör og Fittings
Gerð
Flansar og Gúmmípakkningar
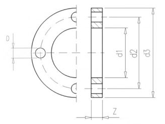
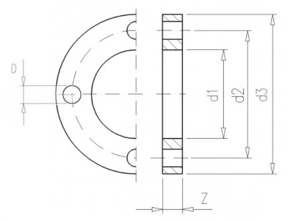
Þvermál
225 mm
Þvermál (d1)
251mm mm
Þvermál (d2)
295mm mm
Þvermál (d3)
340mm mm
Þvermál (Dia)
225mm mm
DN
200mm mm
Boltar x Stærð bolta (#xD)
8 boltar x 22mm
Lengd (Z)
36mm mm
Stærð
225mm
Magn í pakkningu
5
Aukahlutir
Skyldar vörur
Nýlega skoðað