Smiðjuvegi 68 - 72 - 200 Kópavogi - Sími: 575 9300
Nýskráning
|
Innskráning
|
English
Vörur
Þjónusta
Starfsfólk
Staðsetningar
Vörur
Hafðu samband
Allar staðsetningar
til baka
Vatn & veitur - Kópavogi
Reykjanesbær
Selfoss
Akureyri
Fagkaup - Skrifstofa
Þjónusta
Þjónusta
Reikningsviðskipti
Fyrirtækið
Fréttir
Staðsetningar
Starfsfólk
Um Vatn & veitur
English
Overview
Contact us
Innskráning
Nýskráning
Karfan þín er tóm
Vörur
Neysluvatnslagnir
Galv. skrúfað
Ryðfrítt skrúfað
Lím fittings
U-PVC Rör
PVC Barkar
U-PVC Hné
U-PVC Nippil Hné
U-PVC Té
U-PVC Múffur
U-PVC Minnkanir
U-PVC Múffutengi
U-PVC Brjóstnipplar
U-PVC Nippilformúffur
U-PVC Nippiltengi
U-PVC Unionar
U-PVC Lok
U-PVC Slöngutengi
U-PVC Hálf hné
U-PVC Flangsar og Gúmmípk.
U-PVC Krossar
U-PVC Snittaðar minnkanir
U-PVC Fylgihlutir og festingar
Lím og hreinsir
PVC Kúlulokar
PVC Spjaldlokar
PVC Einstreymislokar
Kopar skrúfað
Pressefni Ál-Pex
Álpex ádregið
PP-R lagnir
Pressefni Ryðfrítt
Hitaveitulagnir
Frárennslislagnir
Festingar og verkfæri
Einangrun og efnavara
Sprinkler og brunavarnir
Stjórnbúnaður
Dælur
Vatnsveitur og snjóbræðsla
Hreinlætistæki - Fylgihlutir
Hitabúnaður
Vatnsveitur
Pípulagnaefni
PVC Lím Kraghulsa 50mm
Forsíða
>
Neysluvatnslagnir
>
Lím fittings
>
U-PVC Unionar
>
PVC Lím Kraghulsa 50mm
Skoða vörur framleiðanda
Innskráðir viðskiptavinir sjá sín verð og geta verslað úr tölvunni eða snjalltækjum.
Lagerstaða:
keflavik
Reykjanesbær
Til á lager
selfoss
Selfossi
Til á lager
vv-kop
Smiðjuvegi 68
Til á lager
0
0
0
0
0
0
0
0
0
0
0
0
4
Vöruhús
Til á lager
Tækniupplýsingar:
VDL_Installation.pdf
VDL_ISO_Vottun.pdf
Upplýsingar um vöru
Vörunúmer:
E01637250
Kraghulsa
Stærð: 50mm
Límt PVC
Eiginleikar
Nafn eiginleika
Gildi eiginleika
Flokkur
Límd Rör og Fittings
Gerð
Unionar
Þvermál
50
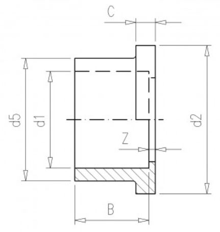
Þvermál (d1)
50mm mm
Þvermál (d2)
72mm mm
Þvermál (d5)
61mm mm
DN
40mm mm
Lengd (Z)
3mm mm
Múffa (B)
31mm mm
Skrúfgangur (C)
8mm mm
Stærð
50mm
Magn í pakkningu
150
Aukahlutir
Skyldar vörur
Nýlega skoðað
Rörafesting 25mm
Rörafesting PP
Stærð: 25mm
Svört
Vörunúmer: E01675025
Innskrá fyrir verð
Til í vefverslun
Segulspóla 220V
Segulspóla
220V
Vörunúmer: E029000220
Innskrá fyrir verð
Til í vefverslun
PVC Lím Kraghulsa 75mm
Kraghulsa
Stærð: 75mm
Límt PVC
Vörunúmer: E01637275
Innskrá fyrir verð
Til í vefverslun
PVC Tankatengi m/Union 2"
Tankatengi með Union
Stærð: 2"
Efnisgerð: U-PVC
Vörunúmer: E0167818040
Innskrá fyrir verð
Til í vefverslun
PVC Lím Kraghulsa 200mm
Kraghulsa
Stærð: 200mm
Límt PVC
Vörunúmer: E016372200
Innskrá fyrir verð
Til í vefverslun
PVC Lím Kraghulsa 140mm
Kraghulsa
Stærð: 140mm
Límt PVC
Vörunúmer: E016372140
Innskrá fyrir verð
Til í vefverslun
PVC Lím Kraghulsa 250mm
Kraghulsa
Stærð: 250mm
Límt PVC
Vörunúmer: E016372250
Innskrá fyrir verð
Rörafesting 140mm
Rörafesting PP
Stærð: 140mm
Svört
Vörunúmer: E016750140
Innskrá fyrir verð
PVC Lím Kraghulsa 160mm
Kraghulsa
Stærð: 160mm
Límt PVC
Vörunúmer: E016372160
Innskrá fyrir verð
Til í vefverslun