Smiðjuvegi 68 - 72 - 200 Kópavogi - Sími: 575 9300
Nýskráning
|
Innskráning
|
English
Vörur
Þjónusta
Starfsfólk
Staðsetningar
Vörur
Hafðu samband
Allar staðsetningar
til baka
Vatn & veitur - Kópavogi
Reykjanesbær
Selfoss
Akureyri
Fagkaup - Skrifstofa
Þjónusta
Þjónusta
Reikningsviðskipti
Fyrirtækið
Fréttir
Staðsetningar
Starfsfólk
Um Vatn & veitur
English
Overview
Contact us
Innskráning
Nýskráning
Karfan þín er tóm
Vörur
Neysluvatnslagnir
Galv. skrúfað
Ryðfrítt skrúfað
Lím fittings
U-PVC Rör
PVC Barkar
U-PVC Hné
U-PVC Nippil Hné
U-PVC Té
U-PVC Múffur
U-PVC Minnkanir
U-PVC Múffutengi
U-PVC Brjóstnipplar
U-PVC Nippilformúffur
U-PVC Nippiltengi
U-PVC Unionar
U-PVC Lok
U-PVC Slöngutengi
U-PVC Hálf hné
U-PVC Flangsar og Gúmmípk.
U-PVC Krossar
U-PVC Snittaðar minnkanir
U-PVC Fylgihlutir og festingar
Lím og hreinsir
PVC Kúlulokar
PVC Spjaldlokar
PVC Einstreymislokar
Kopar skrúfað
Pressefni Ál-Pex
Álpex ádregið
PP-R lagnir
Pressefni Ryðfrítt
Hitaveitulagnir
Frárennslislagnir
Festingar og verkfæri
Einangrun og efnavara
Sprinkler og brunavarnir
Stjórnbúnaður
Dælur
Vatnsveitur og snjóbræðsla
Hreinlætistæki - Fylgihlutir
Hitabúnaður
Vatnsveitur
Pípulagnaefni
PVC Lím Múffu-Nippil-Nippiltengi 32/40mm x 1/2"
Forsíða
>
Neysluvatnslagnir
>
Lím fittings
>
U-PVC Múffutengi
>
PVC Lím Múffu-Nippil-Nippiltengi 32/40mm x 1/2"
Skoða vörur framleiðanda
Innskráðir viðskiptavinir sjá sín verð og geta verslað úr tölvunni eða snjalltækjum.
Staða á vöru:
Væntanlegt
Ekki til á lager
Tækniupplýsingar:
VDL_Installation.pdf
VDL_ISO_Vottun.pdf
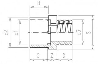
Upplýsingar um vöru
Vörunúmer:
E01628032401
Múffu-Nippil-Nippiltengi
Stærð: 32/40mm x 1/2"
Límt PVC
Eiginleikar
Nafn eiginleika
Gildi eiginleika
Flokkur
Límd Rör og Fittings
Gerð
Múffutengi
Þvermál
32 mm
Þvermál (2)
40mm
Þvermál (3)
1/2"
Þvermál (d1)
32mm mm
Þvermál (d2)
40mm mm
Þvermál (d3)
1/2" (M) "
Þvermál (D)
19mm mm
Þrýstiþol (PN)
16 bar Bar
Þvermál Róar (S)
46mm mm
Lengd (Z)
8mm mm
Múffa (B)
22mm mm
Skrúfgangur (C)
22mm mm
Stærð
32/40mm x 1/2"
Magn í pakkningu
300
Aukahlutir
Skyldar vörur
Nýlega skoðað
PVC Lím Múffu-Nippil-Nippiltengi 63/75mm x 2 1/2"
Múffu-Nippil-Nippiltengi
Stærð: 63/75mm x 2 1/2"
Límt PVC
Vörunúmer: E01628063757
Innskrá fyrir verð
Til í vefverslun
PVC Lím Nippil-Múffu-Múffutengi 63/75mm x 2 1/2"
Nippil-Múffu-Múffutengi
Stærð: 63/75mm x 2 1/2"
Límt PVC
Vörunúmer: E01627675637
Innskrá fyrir verð
Til í vefverslun
Múffu-Tengi f/PEH Rör 4" x 110mm
Múffu-Tengi fyrir PEH Rör
Stærð: 4" x 110mm
Vörunúmer: E0122409110
Innskrá fyrir verð
Til í vefverslun
Nippil-Hálf-Hné 1 1/2" Ryðfrítt
Nippil-Hálf-Hné
Stærð: 1 1/2"
Efnisgerð: Ryðfrítt stál
Vörunúmer: E1021215
Innskrá fyrir verð
Til í vefverslun
Nippil-Hné f/PEH Rör 1" x 32mm
Nippil-Hné fyrir PEH Rör
Stærð: 1" x 32mm
Vörunúmer: E01209232
Innskrá fyrir verð
Til í vefverslun
Sía fyrir Flangssíu DN80/MW 0,50 PN16
Sía fyrir Flangssíu DN80 / MW 0,50 PN16
Vörunúmer: ENG280169
Innskrá fyrir verð
Til í vefverslun
Rör sv. JAKL 2 1/2" Blátt grunnað
JAKL rör grunnað blátt
Stærð: 2 1/2"
Efnisgerð: Svart stál
Vörunúmer: E1037Z
Innskrá fyrir verð
Til í vefverslun
Múffu-Té f/PEH Rör 3" x 90mm
Múffu-Té fyrir PEH Rör
Stærð: 3" x 90mm
Vörunúmer: E01213190
Innskrá fyrir verð
Múffu-Hné f/PEH Rör 2" x 63mm
Múffu-Hné fyrir PEH Rör
Stærð: 2" x 63mm
Vörunúmer: E01209163
Innskrá fyrir verð
Til í vefverslun
Múffu-Tengi f/PEH Rör 1 1/2" x 50mm
Múffu-Tengi fyrir PEH Rör
Stærð: 1 1/2" x 50mm
Vörunúmer: E012240550
Innskrá fyrir verð
Til í vefverslun