Smiðjuvegi 68 - 72 - 200 Kópavogi - Sími: 575 9300
Nýskráning
|
Innskráning
|
English
Vörur
Þjónusta
Starfsfólk
Staðsetningar
Vörur
Hafðu samband
Allar staðsetningar
til baka
Vatn & veitur - Kópavogi
Reykjanesbær
Selfoss
Akureyri
Fagkaup - Skrifstofa
Þjónusta
Þjónusta
Reikningsviðskipti
Fyrirtækið
Fréttir
Staðsetningar
Starfsfólk
Um Vatn & veitur
English
Overview
Contact us
Innskráning
Nýskráning
Karfan þín er tóm
Vörur
Neysluvatnslagnir
Galv. skrúfað
Ryðfrítt skrúfað
Lím fittings
U-PVC Rör
PVC Barkar
U-PVC Hné
U-PVC Nippil Hné
U-PVC Té
U-PVC Múffur
U-PVC Minnkanir
U-PVC Múffutengi
U-PVC Brjóstnipplar
U-PVC Nippilformúffur
U-PVC Nippiltengi
U-PVC Unionar
U-PVC Lok
U-PVC Slöngutengi
U-PVC Hálf hné
U-PVC Flangsar og Gúmmípk.
U-PVC Krossar
U-PVC Snittaðar minnkanir
U-PVC Fylgihlutir og festingar
Lím og hreinsir
PVC Kúlulokar
PVC Spjaldlokar
PVC Einstreymislokar
Kopar skrúfað
Pressefni Ál-Pex
Álpex ádregið
PP-R lagnir
Pressefni Ryðfrítt
Hitaveitulagnir
Frárennslislagnir
Festingar og verkfæri
Einangrun og efnavara
Sprinkler og brunavarnir
Stjórnbúnaður
Dælur
Vatnsveitur og snjóbræðsla
Hreinlætistæki - Fylgihlutir
Hitabúnaður
Vatnsveitur
Pípulagnaefni
PVC Lím Múffu-Nippil-Nippiltengi 63/75mm x 1 1/2"
Forsíða
>
Neysluvatnslagnir
>
Lím fittings
>
U-PVC Múffutengi
>
PVC Lím Múffu-Nippil-Nippiltengi 63/75mm x 1 1/2"
Skoða vörur framleiðanda
Innskráðir viðskiptavinir sjá sín verð og geta verslað úr tölvunni eða snjalltækjum.
Lagerstaða:
keflavik
Reykjanesbær
Til á lager
selfoss
Selfossi
Til á lager
vv-kop
Smiðjuvegi 68
Til á lager
0
0
0
0
0
0
0
0
0
0
0
0
20
Vöruhús
Til á lager
Tækniupplýsingar:
VDL_Installation.pdf
VDL_ISO_Vottun.pdf
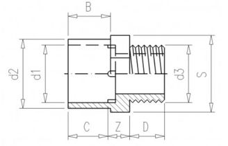
Upplýsingar um vöru
Vörunúmer:
E01628063755
Múffu-Nippil-Nippiltengi
Stærð: 63/75mm x 1 1/2"
Límt PVC
Eiginleikar
Nafn eiginleika
Gildi eiginleika
Flokkur
Límd Rör og Fittings
Gerð
Múffutengi
Þvermál
63
Þvermál (2)
75mm
Þvermál (3)
1 1/2"
Þvermál (d1)
63mm mm
Þvermál (d2)
75mm mm
Þvermál (d3)
1 1/2" (M) "
Þvermál (D)
23mm mm
Þrýstiþol (PN)
16 bar Bar
Þvermál Róar (S)
80mm mm
Lengd (Z)
19mm mm
Múffa (B)
44mm mm
Skrúfgangur (C)
38mm mm
Stærð
63/75mm x 1 1/2"
Magn í pakkningu
80
Aukahlutir
Skyldar vörur
Nýlega skoðað
Rör sv. JAKL 1" Blátt grunnað
JAKL rör grunnað blátt
Stærð: 1"
Efnisgerð: Svart stál
Vörunúmer: E1033Z
Innskrá fyrir verð
Til í vefverslun
Rör sv. JAKL 3/8" Blátt grunnað
JAKL rör grunnað blátt
Stærð: 3/8"
Efnisgerð: Svart stál
Vörunúmer: E1030Z
Innskrá fyrir verð
Til í vefverslun
Rör sv. JAKL 2 1/2" Blátt grunnað
JAKL rör grunnað blátt
Stærð: 2 1/2"
Efnisgerð: Svart stál
Vörunúmer: E1037Z
Innskrá fyrir verð
Til í vefverslun
Múffu-Té f/PEH Rör 3" x 90mm
Múffu-Té fyrir PEH Rör
Stærð: 3" x 90mm
Vörunúmer: E01213190
Innskrá fyrir verð
Múffu-Hné f/PEH Rör 2" x 63mm
Múffu-Hné fyrir PEH Rör
Stærð: 2" x 63mm
Vörunúmer: E01209163
Innskrá fyrir verð
Til í vefverslun
Múffu-Tengi f/PEH Rör 1 1/2" x 50mm
Múffu-Tengi fyrir PEH Rör
Stærð: 1 1/2" x 50mm
Vörunúmer: E012240550
Innskrá fyrir verð
Til í vefverslun
PVC Lím Handfang á VDL Kúluloka 50mm
Handfang á VDL Kúluloka
Stærð: 50mm
Límt PVC
Vörunúmer: E0166045011
Innskrá fyrir verð
Til í vefverslun
Múffu-Hné f/PEH Rör 3/4" x 25mm
Múffu-Hné fyrir PEH Rör
Stærð: 3/4" x 25mm
Vörunúmer: E01209125
Innskrá fyrir verð
Til í vefverslun
Ryðfrí rörfesting með gúmmí 3/4"
Rörafesting með gúmmí
Stærð: 3/4"
Efnisferð: Ryðfrítt stál
Vörunúmer: E37340241AIDR34
Innskrá fyrir verð
Ryðfrí rörfesting með gúmmí 110mm
Rörafesting með gúmmí
Stærð: 110mm
Efnisferð: Ryðfrítt stál
Vörunúmer: E37341101AIDR4
Innskrá fyrir verð
Til í vefverslun