Smiðjuvegi 68 - 72 - 200 Kópavogi - Sími: 575 9300
Nýskráning
|
Innskráning
|
English
Vörur
Þjónusta
Starfsfólk
Staðsetningar
Vörur
Hafðu samband
Allar staðsetningar
til baka
Vatn & veitur - Kópavogi
Reykjanesbær
Selfoss
Akureyri
Fagkaup - Skrifstofa
Þjónusta
Þjónusta
Reikningsviðskipti
Fyrirtækið
Fréttir
Staðsetningar
Starfsfólk
Um Vatn & veitur
English
Overview
Contact us
Innskráning
Nýskráning
Karfan þín er tóm
Vörur
Neysluvatnslagnir
Galv. skrúfað
Ryðfrítt skrúfað
Lím fittings
U-PVC Rör
PVC Barkar
U-PVC Hné
U-PVC Nippil Hné
U-PVC Té
U-PVC Múffur
U-PVC Minnkanir
U-PVC Múffutengi
U-PVC Brjóstnipplar
U-PVC Nippilformúffur
U-PVC Nippiltengi
U-PVC Unionar
U-PVC Lok
U-PVC Slöngutengi
U-PVC Hálf hné
U-PVC Flangsar og Gúmmípk.
U-PVC Krossar
U-PVC Snittaðar minnkanir
U-PVC Fylgihlutir og festingar
Lím og hreinsir
PVC Kúlulokar
PVC Spjaldlokar
PVC Einstreymislokar
Kopar skrúfað
Pressefni Ál-Pex
Álpex ádregið
PP-R lagnir
Pressefni Ryðfrítt
Hitaveitulagnir
Frárennslislagnir
Festingar og verkfæri
Einangrun og efnavara
Sprinkler og brunavarnir
Stjórnbúnaður
Dælur
Vatnsveitur og snjóbræðsla
Hreinlætistæki - Fylgihlutir
Hitabúnaður
Vatnsveitur
Pípulagnaefni
PVC Lím Múffu-Nippil-Nippiltengi 90/110mm x 4"
Forsíða
>
Neysluvatnslagnir
>
Lím fittings
>
U-PVC Múffutengi
>
PVC Lím Múffu-Nippil-Nippiltengi 90/110mm x 4"
Skoða vörur framleiðanda
Innskráðir viðskiptavinir sjá sín verð og geta verslað úr tölvunni eða snjalltækjum.
Staða á vöru:
Væntanlegt
Ekki til á lager
Tækniupplýsingar:
VDL_Installation.pdf
VDL_ISO_Vottun.pdf
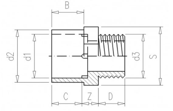
Upplýsingar um vöru
Vörunúmer:
E016280901109
Múffu-Nippil-Nippiltengi
Stærð: 90/110mm x 4"
Límt PVC
Eiginleikar
Nafn eiginleika
Gildi eiginleika
Flokkur
Límd Rör og Fittings
Gerð
Múffutengi
Þvermál
90
Þvermál (2)
110mm
Þvermál (3)
4"
Þvermál (d1)
90mm mm
Þvermál (d2)
110mm mm
Þvermál (d3)
4" (M) "
Þvermál (D)
40mm mm
Þrýstiþol (PN)
16 bar Bar
Þvermál Róar (S)
115mm mm
Lengd (Z)
31mm mm
Múffa (B)
61mm mm
Skrúfgangur (C)
51mm mm
Stærð
90/110mm x 4"
Magn í pakkningu
27
Aukahlutir
Skyldar vörur
Nýlega skoðað
Stöðurofi f/OSY loka OSY2
Stöðurofi f/OSY loka
Gerð: OSY2
Vörunúmer: E1611003
Innskrá fyrir verð
Til í vefverslun
Klemmuté grópað 4" x 3" Galvaniserað
Klemmuté
Stærð: 4" x 3"
Efnisgerð: Galvaniserað stál
Vörunúmer: E162704655G
Innskrá fyrir verð
Til í vefverslun
Klemmuté grópað 3" x 1" Rautt
Klemmuté
Stærð: 3" x 1"
Litur: Rauður
Vörunúmer: E162704650Z
Innskrá fyrir verð
Til í vefverslun
Klemmuté U-járn 1 1/4" x 1" Rautt
Snittað Klemmuté
Stærð: 1 1/4" x 1"
Litur: Rauður
Vörunúmer: E1627045506
Innskrá fyrir verð
Til í vefverslun