Smiðjuvegi 68 - 72 - 200 Kópavogi - Sími: 575 9300
Nýskráning
|
Innskráning
|
English
Vörur
Þjónusta
Starfsfólk
Staðsetningar
Vörur
Hafðu samband
Allar staðsetningar
til baka
Vatn & veitur - Kópavogi
Reykjanesbær
Selfoss
Akureyri
Fagkaup - Skrifstofa
Þjónusta
Þjónusta
Reikningsviðskipti
Fyrirtækið
Fréttir
Staðsetningar
Starfsfólk
Um Vatn & veitur
English
Overview
Contact us
Innskráning
Nýskráning
Karfan þín er tóm
Vörur
Neysluvatnslagnir
Galv. skrúfað
Ryðfrítt skrúfað
Lím fittings
U-PVC Rör
PVC Barkar
U-PVC Hné
U-PVC Nippil Hné
U-PVC Té
U-PVC Múffur
U-PVC Minnkanir
U-PVC Múffutengi
U-PVC Brjóstnipplar
U-PVC Nippilformúffur
U-PVC Nippiltengi
U-PVC Unionar
U-PVC Lok
U-PVC Slöngutengi
U-PVC Hálf hné
U-PVC Flangsar og Gúmmípk.
U-PVC Krossar
U-PVC Snittaðar minnkanir
U-PVC Fylgihlutir og festingar
Lím og hreinsir
PVC Kúlulokar
PVC Spjaldlokar
PVC Einstreymislokar
Kopar skrúfað
Pressefni Ál-Pex
Álpex ádregið
PP-R lagnir
Pressefni Ryðfrítt
Hitaveitulagnir
Frárennslislagnir
Festingar og verkfæri
Einangrun og efnavara
Sprinkler og brunavarnir
Stjórnbúnaður
Dælur
Vatnsveitur og snjóbræðsla
Hreinlætistæki - Fylgihlutir
Hitabúnaður
Vatnsveitur
Pípulagnaefni
PVC Lím Minnkun 50 x 1"
Forsíða
>
Neysluvatnslagnir
>
Lím fittings
>
U-PVC Snittaðar minnkanir
>
PVC Lím Minnkun 50 x 1"
Skoða vörur framleiðanda
Innskráðir viðskiptavinir sjá sín verð og geta verslað úr tölvunni eða snjalltækjum.
Lagerstaða:
keflavik
Reykjanesbær
Til á lager
selfoss
Selfossi
Til á lager
vv-kop
Smiðjuvegi 68
Til á lager
0
0
0
0
0
0
0
0
0
0
0
0
158
Vöruhús
Til á lager
Tækniupplýsingar:
VDL_Installation.pdf
VDL_ISO_Vottun.pdf
Upplýsingar um vöru
Vörunúmer:
E016275503
Minnkun
Stærð: 50 x 1"
Límt PVC
Eiginleikar
Nafn eiginleika
Gildi eiginleika
Flokkur
Límd Rör og Fittings
Gerð
Snittuðminkun
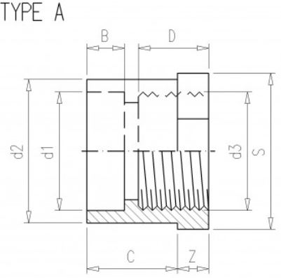
Þvermál
50
Þvermál (2)
1"
Þvermál (d2)
50mm mm
Þvermál (d3)
1" (F) "
Þvermál (D)
21mm mm
Þrýstiþol (PN)
16 bar Bar
Þvermál Róar (S)
55mm mm
Lengd (Z)
12mm mm
Skrúfgangur (C)
31mm mm
Stærð
50mm x 1"
Magn í pakkningu
100
Aukahlutir
Skyldar vörur
Nýlega skoðað
Skrúfbútur 3" - 150mm Galvaniserað
Skrúfbútur
Stærð: 3" - 150mm
Efnisgerð: Galvaniserað stál
Vörunúmer: E100238015
Innskrá fyrir verð
Til í vefverslun
Skrúfbútur 4" - 150mm Galvaniseraður
Skrúfbútur
Stærð: 4" - 150mm
Efnisgerð: Galvaniserað stál
Vörunúmer: E100239015
Innskrá fyrir verð
Til í vefverslun
PVC Lím Minnkun 32 x 3/4"
Minnkun
Stærð: 32 x 3/4"
Límt PVC
Vörunúmer: E016275322
Innskrá fyrir verð
Til í vefverslun
Brjóstnippill 1/2" Ryðfrír
Brjóstnippill
Stærð: 1/2"
Efnisgerð: Ryðfrítt stál
Vörunúmer: E1022801
Innskrá fyrir verð
Til í vefverslun
Flangssía Hawle DN200 PN16
Flangssía Hawle DN200 PN16
Þyngd: 107 kg
Vörunúmer: ENG280200
Innskrá fyrir verð
Viðgerðarklemma 87-97mm / 300mm
Viðgerðarklemma
Stærð: 87-97mm / 300mm
Vörunúmer: E1008730
Innskrá fyrir verð
Til í vefverslun