Smiðjuvegi 68 - 72 - 200 Kópavogi - Sími: 575 9300
Nýskráning
|
Innskráning
|
English
Vörur
Þjónusta
Starfsfólk
Staðsetningar
Vörur
Hafðu samband
Allar staðsetningar
til baka
Vatn & veitur - Kópavogi
Reykjanesbær
Selfoss
Akureyri
Fagkaup - Skrifstofa
Þjónusta
Þjónusta
Reikningsviðskipti
Fyrirtækið
Fréttir
Staðsetningar
Starfsfólk
Um Vatn & veitur
English
Overview
Contact us
Innskráning
Nýskráning
Karfan þín er tóm
Vörur
Neysluvatnslagnir
Galv. skrúfað
Ryðfrítt skrúfað
Lím fittings
U-PVC Rör
PVC Barkar
U-PVC Hné
U-PVC Nippil Hné
U-PVC Té
U-PVC Múffur
U-PVC Minnkanir
U-PVC Múffutengi
U-PVC Brjóstnipplar
U-PVC Nippilformúffur
U-PVC Nippiltengi
U-PVC Unionar
U-PVC Lok
U-PVC Slöngutengi
U-PVC Hálf hné
U-PVC Flangsar og Gúmmípk.
U-PVC Krossar
U-PVC Snittaðar minnkanir
U-PVC Fylgihlutir og festingar
Lím og hreinsir
PVC Kúlulokar
PVC Spjaldlokar
PVC Einstreymislokar
Kopar skrúfað
Pressefni Ál-Pex
Álpex ádregið
PP-R lagnir
Pressefni Ryðfrítt
Hitaveitulagnir
Frárennslislagnir
Festingar og verkfæri
Einangrun og efnavara
Sprinkler og brunavarnir
Stjórnbúnaður
Dælur
Vatnsveitur og snjóbræðsla
Hreinlætistæki - Fylgihlutir
Hitabúnaður
Vatnsveitur
Pípulagnaefni
PVC Lím Nippil-Nippiltengi 32mm x 3/4"
Forsíða
>
Neysluvatnslagnir
>
Lím fittings
>
U-PVC Nippiltengi
>
PVC Lím Nippil-Nippiltengi 32mm x 3/4"
Skoða vörur framleiðanda
Innskráðir viðskiptavinir sjá sín verð og geta verslað úr tölvunni eða snjalltækjum.
Staða á vöru:
Væntanlegt
Ekki til á lager
Tækniupplýsingar:
VDL_Installation.pdf
VDL_ISO_Vottun.pdf
Upplýsingar um vöru
Vörunúmer:
E01627732
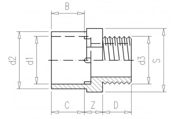
Nippil-Nippiltengi
Stærð: 32mm x 3/4"
Límt PVC
Eiginleikar
Nafn eiginleika
Gildi eiginleika
Flokkur
Límd Rör og Fittings
Gerð
Nippiltengi
Þvermál
32 mm
Þvermál (2)
3/4"
Þvermál (d1)
25mm mm
Þvermál (d2)
32mm mm
Þvermál (d3)
3/4" (M) "
Þvermál (D)
19mm mm
Þrýstiþol (PN)
16 bar Bar
Þvermál Róar (S)
46mm mm
Lengd (Z)
10mm mm
Múffa (B)
22mm mm
Skrúfgangur (C)
19mm mm
Stærð
32mm x 3/4"
Magn í pakkningu
100
Aukahlutir
Skyldar vörur
Nýlega skoðað