Smiðjuvegi 68 - 72 - 200 Kópavogi - Sími: 575 9300
Nýskráning
|
Innskráning
|
English
Vörur
Þjónusta
Starfsfólk
Staðsetningar
Vörur
Hafðu samband
Allar staðsetningar
til baka
Vatn & veitur - Kópavogi
Reykjanesbær
Selfoss
Akureyri
Fagkaup - Skrifstofa
Þjónusta
Þjónusta
Reikningsviðskipti
Fyrirtækið
Fréttir
Staðsetningar
Starfsfólk
Um Vatn & veitur
English
Overview
Contact us
Innskráning
Nýskráning
Karfan þín er tóm
Vörur
Neysluvatnslagnir
Galv. skrúfað
Ryðfrítt skrúfað
Lím fittings
U-PVC Rör
PVC Barkar
U-PVC Hné
U-PVC Nippil Hné
U-PVC Té
U-PVC Múffur
U-PVC Minnkanir
U-PVC Múffutengi
U-PVC Brjóstnipplar
U-PVC Nippilformúffur
U-PVC Nippiltengi
U-PVC Unionar
U-PVC Lok
U-PVC Slöngutengi
U-PVC Hálf hné
U-PVC Flangsar og Gúmmípk.
U-PVC Krossar
U-PVC Snittaðar minnkanir
U-PVC Fylgihlutir og festingar
Lím og hreinsir
PVC Kúlulokar
PVC Spjaldlokar
PVC Einstreymislokar
Kopar skrúfað
Pressefni Ál-Pex
Álpex ádregið
PP-R lagnir
Pressefni Ryðfrítt
Hitaveitulagnir
Frárennslislagnir
Festingar og verkfæri
Einangrun og efnavara
Sprinkler og brunavarnir
Stjórnbúnaður
Dælur
Vatnsveitur og snjóbræðsla
Hreinlætistæki - Fylgihlutir
Hitabúnaður
Vatnsveitur
Pípulagnaefni
PVC Lím Té 40 x 20mm
Forsíða
>
Neysluvatnslagnir
>
Lím fittings
>
U-PVC Té
>
PVC Lím Té 40 x 20mm
Skoða vörur framleiðanda
Innskráðir viðskiptavinir sjá sín verð og geta verslað úr tölvunni eða snjalltækjum.
Lagerstaða:
keflavik
Reykjanesbær
Til á lager
selfoss
Selfossi
Til á lager
vv-kop
Smiðjuvegi 68
Til á lager
0
0
0
0
0
0
0
0
0
0
0
0
260
Vöruhús
Til á lager
Tækniupplýsingar:
VDL_Installation.pdf
VDL_ISO_Vottun.pdf
Upplýsingar um vöru
Vörunúmer:
E0161304020
Té
Stærð: 40 x 20mm
Límt PVC
Eiginleikar
Nafn eiginleika
Gildi eiginleika
Flokkur
Límd Rör og Fittings
Gerð
Té
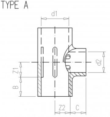
Þvermál
40 mm
Þvermál (2)
20mm
Þvermál (d1)
40mm mm
Þvermál (d2)
20mm mm
Þrýstiþol (PN)
16 bar Bar
Lengd (Z1)
23mm mm
Lengd (Z2)
23mm mm
Múffa (B)
26mm mm
Skrúfgangur (C)
16mm mm
Stærð
40mm x 20mm
Magn í pakkningu
150
Aukahlutir
Skyldar vörur
Nýlega skoðað
S.2000 Hné 125 mm
S.2000 Hné
Stærð: 125 mm
Vörunúmer: EMMQ000440006
Innskrá fyrir verð
Til í vefverslun
PVC Lím Spjaldloki 225mm (DN200)
Spjaldloki
Stærð: 225mm (DN200)
Límt PVC
Vörunúmer: E016603225
Innskrá fyrir verð
Til í vefverslun
PVC Múffu Hné m/Styrkingu 25 x 3/4
Múffu Hné m/stáli
Stærð: 3/4" x 25mm
Efni: PVC-U
Vörunúmer: E016004403
Innskrá fyrir verð
Til í vefverslun