Smiðjuvegi 68 - 72 - 200 Kópavogi - Sími: 575 9300
Nýskráning
|
Innskráning
|
English
Vörur
Þjónusta
Starfsfólk
Staðsetningar
Vörur
Hafðu samband
Allar staðsetningar
til baka
Vatn & veitur - Kópavogi
Reykjanesbær
Selfoss
Akureyri
Fagkaup - Skrifstofa
Þjónusta
Þjónusta
Reikningsviðskipti
Fyrirtækið
Fréttir
Staðsetningar
Starfsfólk
Um Vatn & veitur
English
Overview
Contact us
Innskráning
Nýskráning
Karfan þín er tóm
Vörur
Neysluvatnslagnir
Galv. skrúfað
Ryðfrítt skrúfað
Lím fittings
U-PVC Rör
PVC Barkar
U-PVC Hné
U-PVC Nippil Hné
U-PVC Té
U-PVC Múffur
U-PVC Minnkanir
U-PVC Múffutengi
U-PVC Brjóstnipplar
U-PVC Nippilformúffur
U-PVC Nippiltengi
U-PVC Unionar
U-PVC Lok
U-PVC Slöngutengi
U-PVC Hálf hné
U-PVC Flangsar og Gúmmípk.
U-PVC Krossar
U-PVC Snittaðar minnkanir
U-PVC Fylgihlutir og festingar
Lím og hreinsir
PVC Kúlulokar
PVC Spjaldlokar
PVC Einstreymislokar
Kopar skrúfað
Pressefni Ál-Pex
Álpex ádregið
PP-R lagnir
Pressefni Ryðfrítt
Hitaveitulagnir
Frárennslislagnir
Festingar og verkfæri
Einangrun og efnavara
Sprinkler og brunavarnir
Stjórnbúnaður
Dælur
Vatnsveitur og snjóbræðsla
Hreinlætistæki - Fylgihlutir
Hitabúnaður
Vatnsveitur
Pípulagnaefni
PVC Snittaður Tappi 1 1/4"
Forsíða
>
Neysluvatnslagnir
>
Lím fittings
>
U-PVC Lok
>
PVC Snittaður Tappi 1 1/4"
Skoða vörur framleiðanda
Innskráðir viðskiptavinir sjá sín verð og geta verslað úr tölvunni eða snjalltækjum.
Staða á vöru:
Væntanlegt
Ekki til á lager
Tækniupplýsingar:
050124-345_Snittadur Tappi.pdf
050124-VDL_ISO_Vottun.pdf
Aðrar upplýsingar
Vefslóð framleiðanda
Leitarorð
pvc
(72)
,
Tappi
(27)
,
1 1/4
(43)
,
Snittaður
(5)
Upplýsingar um vöru
Vörunúmer:
E0162904
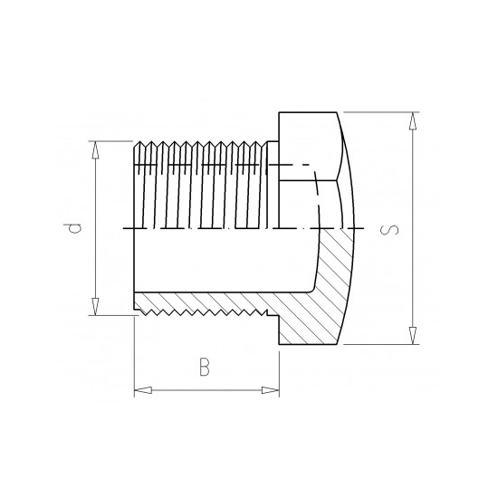
Snittaður Tappi
Stærð: 1 1/4"
Efnisgerð: PVC-U
Eiginleikar
Nafn eiginleika
Gildi eiginleika
Flokkur
Límd Rör og Fittings
Gerð
Snittaður Tappi
Þvermál (d)
1 1/4 "
Þrýstiþol (PN)
16 Bar
Þvermál Róar (S)
46 mm
Lengd (B)
23 mm
Magn í pakkningu
100
Aukahlutir
Skyldar vörur
Nýlega skoðað
S.2000 Té DN 90
S.2000 Té
Stærð: DN 90
Vörunúmer: EMMB000390006
Innskrá fyrir verð
Til í vefverslun
PVC Lím Té 200mm
Té
Stærð: 200mm
Límt PVC
Vörunúmer: E016130200
Innskrá fyrir verð
Til í vefverslun
Synoflex Lok Hawle DN65 PN16
Synoflex Lok Hawle DN65 PN16
Þyngd: 5,1 kg
Vörunúmer: EHDA0003830
Innskrá fyrir verð
Til í vefverslun
S.2000 Té DN 180
S.2000 Té
Stærð: DN 180
Vörunúmer: EMMB000500006
Innskrá fyrir verð
Til í vefverslun