Smiðjuvegi 68 - 72 - 200 Kópavogi - Sími: 575 9300
Nýskráning
|
Innskráning
|
English
Vörur
Þjónusta
Starfsfólk
Staðsetningar
Vörur
Hafðu samband
Allar staðsetningar
til baka
Vatn & veitur - Kópavogi
Reykjanesbær
Selfoss
Akureyri
Fagkaup - Skrifstofa
Þjónusta
Þjónusta
Reikningsviðskipti
Fyrirtækið
Fréttir
Staðsetningar
Starfsfólk
Um Vatn & veitur
English
Overview
Contact us
Innskráning
Nýskráning
Karfan þín er tóm
Vörur
Neysluvatnslagnir
Hitaveitulagnir
Frárennslislagnir
Festingar og verkfæri
Einangrun og efnavara
Sprinkler og brunavarnir
Stjórnbúnaður
Dælur
Vatnsveitur og snjóbræðsla
PEH Rör og Fittings
Snjóbræðslurör
Brunahanar
Hawle fittings
Hawle Pott fittings með flangs
Hawle Borbaulur
Hawle Síur
Hawle Einstefnulokar m/flangs
ISO tengi og fylgihlutir
System 2000 tengi
Hawle Hálfmánatengi
BAIO tengi
Hawle Flangsar og tengi
Vario tengi
Hawle Brunnbox
Framlengingar á Hawle loka
Hawle auka- og varahlutir
Hawle Pakkningar
Hawle Lofttæmilokar
Synoflex tengi
Hawle lokar og brunahanar
Huwa Klemmur og Borbaulur
Vatnsveituefni almennt
PE Spegilsuðu Fittings
PE Rafsuðu Fittings
Veituefni sérpantað
Hreinlætistæki - Fylgihlutir
Hitabúnaður
Vatnsveitur
Pípulagnaefni
Sjálfvirkur loftTæmiloki 1"
Forsíða
>
Vatnsveitur og snjóbræðsla
>
Hawle fittings
>
Hawle Lofttæmilokar
>
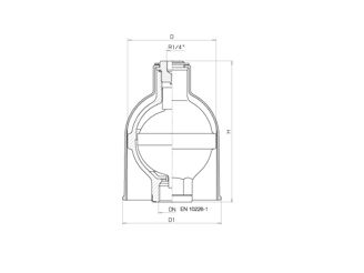
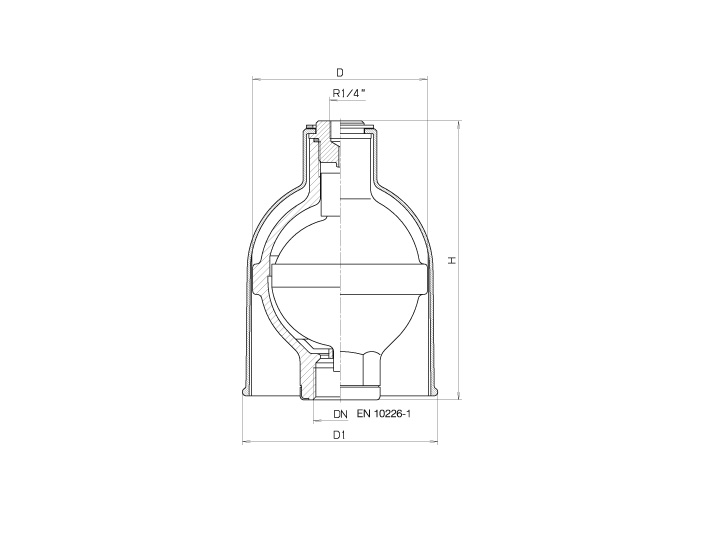
Sjálfvirkur loftTæmiloki 1"
Skoða vörur framleiðanda
Innskráðir viðskiptavinir sjá sín verð og geta verslað úr tölvunni eða snjalltækjum.
Lagerstaða:
keflavik
Reykjanesbær
Til á lager
selfoss
Selfossi
Til á lager
vv-kop
Smiðjuvegi 68
Til á lager
0
0
0
0
0
0
0
0
0
0
0
0
6
Vöruhús
Til á lager
Tækniupplýsingar:
Hawle_5016175_Tækniuppl.pdf
Hawle_Vottanir.pdf
Leitarorð
Hawle
(609)
Upplýsingar um vöru
Vörunúmer:
EQA100016
Sjálfvirkur loftTæmiloki
Stærð: 1"
Eiginleikar
Nafn eiginleika
Gildi eiginleika
Flokkur
Hawle fittings
Gerð
Lofttæmiloki
Þvermál
1"
Þrýstiþol (PN)
16 Bar
Stærð
1"
Aukahlutir
Skyldar vörur
Nýlega skoðað