Smiðjuvegi 68 - 72 - 200 Kópavogi - Sími: 575 9300
Nýskráning
|
Innskráning
|
English
Vörur
Þjónusta
Starfsfólk
Staðsetningar
Vörur
Hafðu samband
Allar staðsetningar
til baka
Vatn & veitur - Kópavogi
Reykjanesbær
Selfoss
Akureyri
Fagkaup - Skrifstofa
Þjónusta
Þjónusta
Reikningsviðskipti
Fyrirtækið
Fréttir
Staðsetningar
Starfsfólk
Um Vatn & veitur
English
Overview
Contact us
Innskráning
Nýskráning
Karfan þín er tóm
Vörur
Neysluvatnslagnir
Hitaveitulagnir
Frárennslislagnir
Festingar og verkfæri
Einangrun og efnavara
Sprinkler og brunavarnir
Stjórnbúnaður
Dælur
Vatnsveitur og snjóbræðsla
Hreinlætistæki - Fylgihlutir
Baðherbergi - fylgihlutir
Vaskar
Blöndunartæki - fylgihlutir
Tengikranar og fylgihlutir
Slöngur og fylgihlutir
Slöngur
Slöngutengi
Hosuklemmur
Tankatengi
Innréttingar & tæki f/verktaka
Hitabúnaður
Vatnsveitur
Pípulagnaefni
Slöngutengi 1/2" x 15,5mm Kopar
Forsíða
>
Hreinlætistæki - Fylgihlutir
>
Slöngur og fylgihlutir
>
Slöngutengi
>
Slöngutengi 1/2" x 15,5mm Kopar
Skoða vörur framleiðanda
Innskráðir viðskiptavinir sjá sín verð og geta verslað úr tölvunni eða snjalltækjum.
Lagerstaða:
keflavik
Reykjanesbær
Til á lager
selfoss
Selfossi
Til á lager
vv-kop
Smiðjuvegi 68
Til á lager
0
0
0
0
0
0
0
0
0
0
0
0
150
Vöruhús
Til á lager
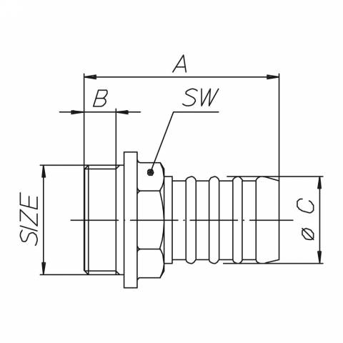
Upplýsingar um vöru
Vörunúmer:
E210119A
Slöngutengi
Stærð: 1/2" x 15,5mm
Efnisgerð: Kopar
Eiginleikar
Nafn eiginleika
Gildi eiginleika
Flokkur
Mak. kítti. snittolía og fleira
Gerð
Slöngutengi
Þvermál
1/2"
Þvermál (2)
15.5mm
Bolti
20mm mm
Stærð
1/2"
Lengd (A)
43mm mm
Lengd (B)
9.5mm mm
Þvermál (C)
15.5mm mm
Litur
Kopar
Magn í pakkningu
1
Aukahlutir
Skyldar vörur
Nýlega skoðað
Varðloki 8" - Gróp- og flangsaður
Varðloki - Samsettur
Stærð: 8"
Gróp- og flangsaður
Vörunúmer: E1611625
Innskrá fyrir verð
Til í vefverslun
TECE renna niðurfall að vegg 70cm
TECEdrainline niðurfall
Renna upp að vegg
Nafnlengd: 700 mm
Heildarlengd: 711 mm
Vörunúmer: E39600701
Innskrá fyrir verð
Til í vefverslun