Smiðjuvegi 68 - 72 - 200 Kópavogi - Sími: 575 9300
Nýskráning
|
Innskráning
|
English
Vörur
Þjónusta
Starfsfólk
Staðsetningar
Vörur
Hafðu samband
Allar staðsetningar
til baka
Vatn & veitur - Kópavogi
Reykjanesbær
Selfoss
Akureyri
Fagkaup - Skrifstofa
Þjónusta
Þjónusta
Reikningsviðskipti
Fyrirtækið
Fréttir
Staðsetningar
Starfsfólk
Um Vatn & veitur
English
Overview
Contact us
Innskráning
Nýskráning
Karfan þín er tóm
Vörur
Neysluvatnslagnir
Hitaveitulagnir
Frárennslislagnir
Festingar og verkfæri
Einangrun og efnavara
Sprinkler og brunavarnir
Stjórnbúnaður
Dælur
Vatnsveitur og snjóbræðsla
Hreinlætistæki - Fylgihlutir
Baðherbergi - fylgihlutir
Vaskar
Blöndunartæki - fylgihlutir
Tengikranar og fylgihlutir
Slöngur og fylgihlutir
Slöngur
Slöngutengi
Hosuklemmur
Tankatengi
Innréttingar & tæki f/verktaka
Hitabúnaður
Vatnsveitur
Pípulagnaefni
Slöngutengi 3/8" x 14mm Króm
Forsíða
>
Hreinlætistæki - Fylgihlutir
>
Slöngur og fylgihlutir
>
Slöngutengi
>
Slöngutengi 3/8" x 14mm Króm
Skoða vörur framleiðanda
Innskráðir viðskiptavinir sjá sín verð og geta verslað úr tölvunni eða snjalltækjum.
Lagerstaða:
keflavik
Reykjanesbær
Til á lager
selfoss
Selfossi
Til á lager
vv-kop
Smiðjuvegi 68
Til á lager
0
0
0
0
0
0
0
0
0
0
0
0
140
Vöruhús
Til á lager
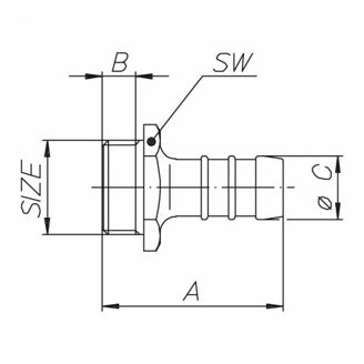
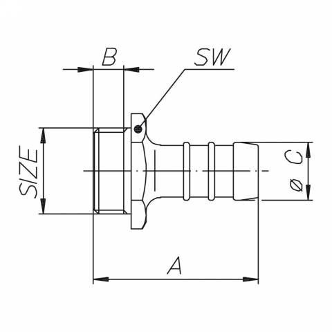
Upplýsingar um vöru
Vörunúmer:
E210116
Slöngutengi
Stærð: 3/8" x 14mm
Efnisgerð: Króm
Eiginleikar
Nafn eiginleika
Gildi eiginleika
Flokkur
Mak. kítti. snittolía og fleira
Gerð
Slöngutengi
Þvermál
3/8"
Þvermál (2)
14mm
Bolti
19mm mm
Stærð
3/8"
Lengd (A)
36.5mm mm
Lengd (B)
6.2mm mm
Þvermál (C)
14mm mm
Litur
Króm
Magn í pakkningu
1
Aukahlutir
Skyldar vörur
Nýlega skoðað