Smiðjuvegi 68 - 72 - 200 Kópavogi - Sími: 575 9300
Nýskráning
|
Innskráning
|
English
Vörur
Þjónusta
Starfsfólk
Staðsetningar
Vörur
Hafðu samband
Allar staðsetningar
til baka
Vatn & veitur - Kópavogi
Reykjanesbær
Selfoss
Akureyri
Fagkaup - Skrifstofa
Þjónusta
Þjónusta
Reikningsviðskipti
Fyrirtækið
Fréttir
Staðsetningar
Starfsfólk
Um Vatn & veitur
English
Overview
Contact us
Innskráning
Nýskráning
Karfan þín er tóm
Vörur
Neysluvatnslagnir
Hitaveitulagnir
Frárennslislagnir
Festingar og verkfæri
Einangrun og efnavara
Sprinkler og brunavarnir
Stjórnbúnaður
Dælur
Vatnsveitur og snjóbræðsla
PEH Rör og Fittings
Snjóbræðslurör
Brunahanar
Hawle fittings
Hawle lokar og brunahanar
Huwa Klemmur og Borbaulur
Vatnsveituefni almennt
PE Spegilsuðu Fittings
PE Rafsuðu Fittings
PE Rafsuðu Hné
PE Rafsuðu Hálfhné
PE Rafsuðu Múffur
PE Rafsuðu Borbaulur
PE Rafsuðu Borbaulur með hníf
PE Rafsuðu Minnkanir
PE Rafsuðu Tengi
Veituefni sérpantað
Hreinlætistæki - Fylgihlutir
Hitabúnaður
Vatnsveitur
Pípulagnaefni
Suðu nippiltengi DN 110/4" - SDR 11
Forsíða
>
Vatnsveitur og snjóbræðsla
>
PE Rafsuðu Fittings
>
PE Rafsuðu Tengi
>
Suðu nippiltengi DN 110/4" - SDR 11
Skoða vörur framleiðanda
Innskráðir viðskiptavinir sjá sín verð og geta verslað úr tölvunni eða snjalltækjum.
Staða á vöru:
Væntanlegt
Ekki til á lager
Leitarorð
RAFSUÐU
(63)
,
rafsuða
(116)
,
Nippiltengi
(54)
,
Nipplatengi
(8)
,
Rafsuðu Nippiltengi
(2)
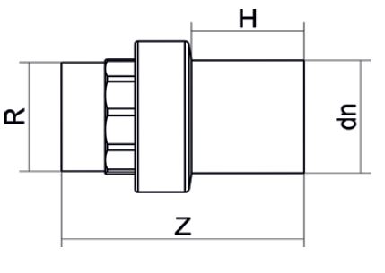
Upplýsingar um vöru
Vörunúmer:
ERTOMP110C
Suðu nippiltengi
Stærð: DN 110/4" - SDR 11
Eiginleikar
Nafn eiginleika
Gildi eiginleika
Flokkur
PE Rafsuðufittings
Gerð
EF Plast járn tengi
Þvermál
4"
DN
110 mm
SDR
11
PN
16
Stærð
DN 110/4" - SDR 11
Nafnmál
110
Þyngd
2,89 kg
h
87
Z
202 mm
Aukahlutir
Skyldar vörur
Nýlega skoðað