Smiðjuvegi 68 - 72 - 200 Kópavogi - Sími: 575 9300
Nýskráning
|
Innskráning
|
English
Vörur
Þjónusta
Starfsfólk
Staðsetningar
Vörur
Hafðu samband
Allar staðsetningar
til baka
Vatn & veitur - Kópavogi
Reykjanesbær
Selfoss
Akureyri
Fagkaup - Skrifstofa
Þjónusta
Þjónusta
Reikningsviðskipti
Fyrirtækið
Fréttir
Staðsetningar
Starfsfólk
Um Vatn & veitur
English
Overview
Contact us
Innskráning
Nýskráning
Karfan þín er tóm
Vörur
Neysluvatnslagnir
Hitaveitulagnir
Svart skrúfað
Gólfhiti
Viðgerðartengi
Suðufittings
Kopar lóðað
Kopar Hné
Kopar Yfirbeygjur
Kopar Nippilhné
Kopar Hálfhné
Kopar Nippil-Hálfhné
Kopar Múffuhné
Kopar Nippil skrúfuð hné
Kopar Té
Kopar Nippilstúss
Kopar Múffustúss
Kopar Vegghné
Kopar Unionar
Kopar Formúffur
Kopar Minnkanir
Kopar Múffur
Kopar Lok
Pex lagnaefni
Kopartengi
Pressefni Galvaniserað
Frárennslislagnir
Festingar og verkfæri
Einangrun og efnavara
Sprinkler og brunavarnir
Stjórnbúnaður
Dælur
Vatnsveitur og snjóbræðsla
Hreinlætistæki - Fylgihlutir
Hitabúnaður
Vatnsveitur
Pípulagnaefni
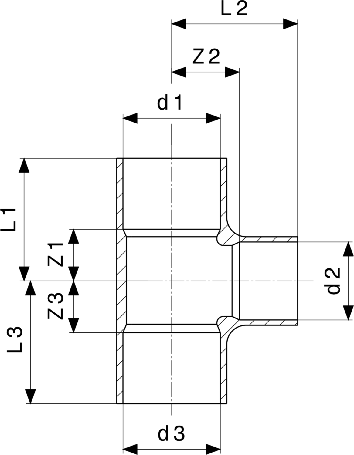
Té 18 x 15 x 18 mm
Forsíða
>
Hitaveitulagnir
>
Kopar lóðað
>
Kopar Té
>
Té 18 x 15 x 18 mm
Skoða vörur framleiðanda
Innskráðir viðskiptavinir sjá sín verð og geta verslað úr tölvunni eða snjalltækjum.
Staða á vöru:
Væntanlegt
Ekki til á lager
Tækniupplýsingar:
Viega_Application_Technology_2014.pdf
Upplýsingar um vöru
Vörunúmer:
E30013181518
Té
Stærð: 18 x 15 x 18 mm
Eiginleikar
Nafn eiginleika
Gildi eiginleika
Flokkur
Kopar rör og fittings lóðaður
Gerð
Té
Þvermál
18 mm
Þvermál (2)
15mm
Þvermál (3)
18mm
Þvermál (d1)
18mm mm
Þvermál (d2)
15mm mm
Þvermál (d3)
18mm mm
Lengd (L1)
21mm mm
Lengd (L2)
24mm mm
Lengd (L3)
21mm mm
Lengd (Z1)
8mm mm
Lengd (Z2)
13mm mm
Lengd (Z3)
8mm mm
Stærð
18 x 15 x 18 mm
Litur
Kopar
Magn í pakkningu
1
Aukahlutir
Skyldar vörur
Nýlega skoðað
Vinkil niðurfall - DN 50 - 100x100mm
Vinkil niðurfall
Stærð: 100x100mm
Stærð stúts: DN 50
Vörunúmer: E02825050577
Innskrá fyrir verð
Til í vefverslun