Smiðjuvegi 68 - 72 - 200 Kópavogi - Sími: 575 9300
Nýskráning
|
Innskráning
|
English
Vörur
Þjónusta
Starfsfólk
Staðsetningar
Vörur
Hafðu samband
Allar staðsetningar
til baka
Vatn & veitur - Kópavogi
Reykjanesbær
Selfoss
Akureyri
Fagkaup - Skrifstofa
Þjónusta
Þjónusta
Reikningsviðskipti
Fyrirtækið
Fréttir
Staðsetningar
Starfsfólk
Um Vatn & veitur
English
Overview
Contact us
Innskráning
Nýskráning
Karfan þín er tóm
Vörur
Neysluvatnslagnir
Hitaveitulagnir
Svart skrúfað
Gólfhiti
Viðgerðartengi
Suðufittings
Kopar lóðað
Kopar Hné
Kopar Yfirbeygjur
Kopar Nippilhné
Kopar Hálfhné
Kopar Nippil-Hálfhné
Kopar Múffuhné
Kopar Nippil skrúfuð hné
Kopar Té
Kopar Nippilstúss
Kopar Múffustúss
Kopar Vegghné
Kopar Unionar
Kopar Formúffur
Kopar Minnkanir
Kopar Múffur
Kopar Lok
Pex lagnaefni
Kopartengi
Pressefni Galvaniserað
Frárennslislagnir
Festingar og verkfæri
Einangrun og efnavara
Sprinkler og brunavarnir
Stjórnbúnaður
Dælur
Vatnsveitur og snjóbræðsla
Hreinlætistæki - Fylgihlutir
Hitabúnaður
Vatnsveitur
Pípulagnaefni
Té 35 x 22 x 35 mm
Forsíða
>
Hitaveitulagnir
>
Kopar lóðað
>
Kopar Té
>
Té 35 x 22 x 35 mm
Skoða vörur framleiðanda
Innskráðir viðskiptavinir sjá sín verð og geta verslað úr tölvunni eða snjalltækjum.
Lagerstaða:
keflavik
Reykjanesbær
Til á lager
selfoss
Selfossi
Til á lager
vv-kop
Smiðjuvegi 68
Til á lager
0
0
0
0
0
0
0
0
0
0
0
0
18
Vöruhús
Til á lager
Tækniupplýsingar:
Viega_Application_Technology_2014.pdf
Upplýsingar um vöru
Vörunúmer:
E30013352235
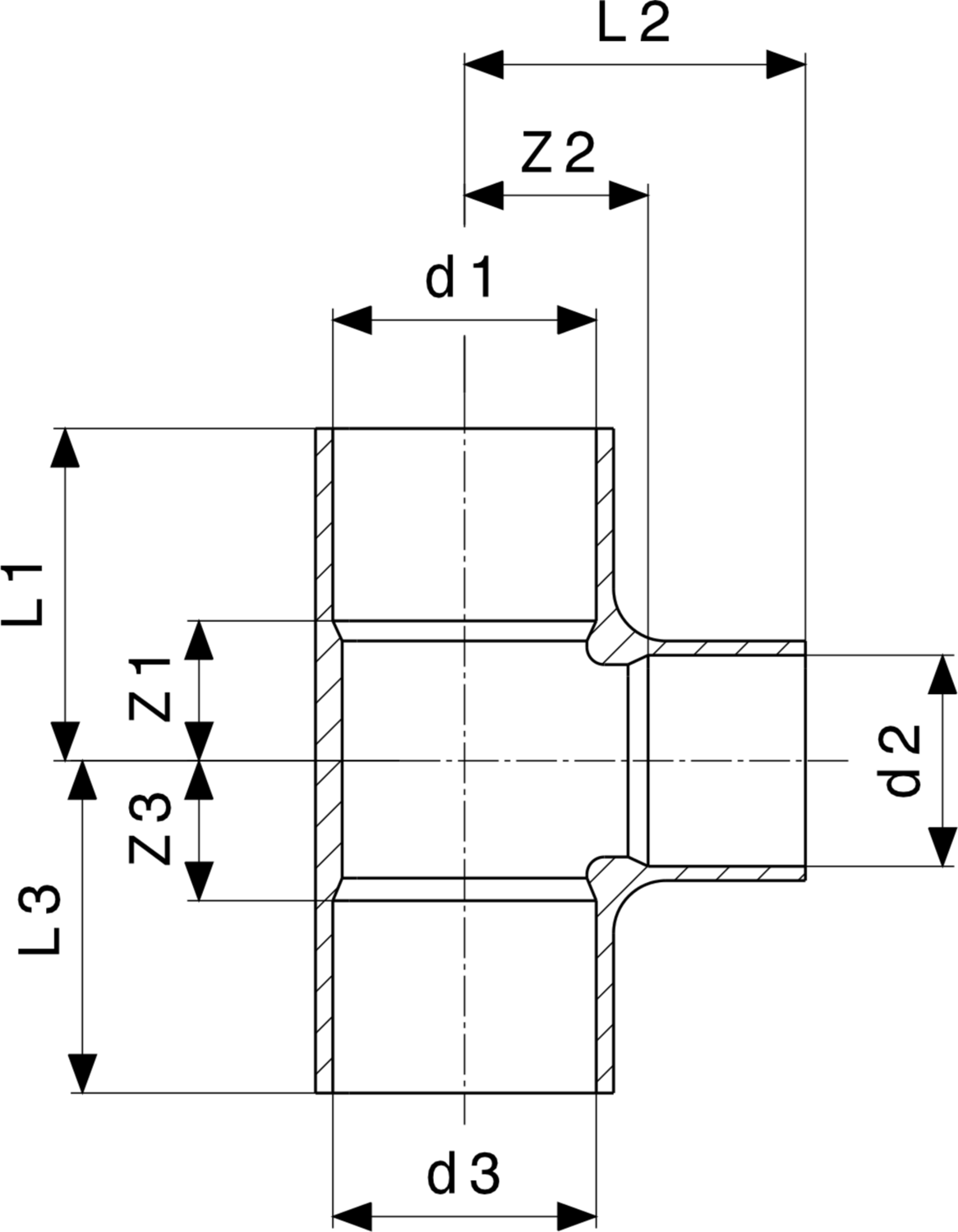
Té
Stærð: 35 x 22 x 35 mm
Eiginleikar
Nafn eiginleika
Gildi eiginleika
Flokkur
Kopar rör og fittings lóðaður
Gerð
Té
Þvermál
35 mm
Þvermál (2)
22mm
Þvermál (3)
35mm
Þvermál (d1)
35mm mm
Þvermál (d2)
22mm mm
Þvermál (d3)
35mm mm
Lengd (L)
13mm mm
Lengd (L1)
36mm mm
Lengd (L2)
37mm mm
Lengd (L3)
36mm mm
Lengd (Z1)
13mm mm
Lengd (Z2)
21mm mm
Stærð
35 x 22 x 35 mm
Litur
Kopar
Magn í pakkningu
1
Aukahlutir
Skyldar vörur
Nýlega skoðað
Ultra dB Rör DN110 x 1000mm
Ultra dB Rör
Stærð: DN110 x 1000mm
Vörunúmer: E146240
Innskrá fyrir verð
Til í vefverslun
Rafsuðuté 75mm SDR11
Rafsuðu Té fyrir 75mm PE rör.
DN75 - SDR11, svart
Vörunúmer: E490404075
Innskrá fyrir verð
Til í vefverslun
Té 1" - 3/4" - 1" Svart
Té
Stærð: 1"-3/4"-1"
Efnisgerð: Svart stál
Vörunúmer: E100130323Z
Innskrá fyrir verð
Til í vefverslun
Þéttikragi OD 400mm
Þéttikragi
OD 400mm
Vörunúmer: E01012817
Innskrá fyrir verð