Smiðjuvegi 68 - 72 - 200 Kópavogi - Sími: 575 9300
Nýskráning
|
Innskráning
|
English
Vörur
Þjónusta
Starfsfólk
Staðsetningar
Vörur
Hafðu samband
Allar staðsetningar
til baka
Vatn & veitur - Kópavogi
Reykjanesbær
Selfoss
Akureyri
Fagkaup - Skrifstofa
Þjónusta
Þjónusta
Reikningsviðskipti
Fyrirtækið
Fréttir
Staðsetningar
Starfsfólk
Um Vatn & veitur
English
Overview
Contact us
Innskráning
Nýskráning
Karfan þín er tóm
Vörur
Neysluvatnslagnir
Hitaveitulagnir
Frárennslislagnir
Festingar og verkfæri
Einangrun og efnavara
Sprinkler og brunavarnir
Stjórnbúnaður
Dælur
Vatnsveitur og snjóbræðsla
Hreinlætistæki - Fylgihlutir
Hitabúnaður
Vatnsveitur
Pípulagnaefni
TECE Samtengi 20 mm
Forsíða
>
TECE Samtengi 20 mm
Skoða vörur framleiðanda
Innskráðir viðskiptavinir sjá sín verð og geta verslað úr tölvunni eða snjalltækjum.
Lagerstaða:
keflavik
Reykjanesbær
Til á lager
selfoss
Selfossi
Til á lager
vv-kop
Smiðjuvegi 68
Til á lager
0
0
0
0
0
0
0
0
0
0
0
0
450
Vöruhús
Til á lager
Tækniupplýsingar:
datasheet_706220.pdf
Aðrar upplýsingar
Vefslóð framleiðanda
Leitarorð
Samtengi
(62)
,
Flex
(73)
,
Samsetning
(45)
,
TECEflex
(141)
,
fittings
(90)
Upplýsingar um vöru
Vörunúmer:
E25706020
TECE Samtengi
Stærð: 20 mm
Eiginleikar
Nafn eiginleika
Gildi eiginleika
Flokkur
Fittings
Tegund
Samtengi
Gerð
TECEflex
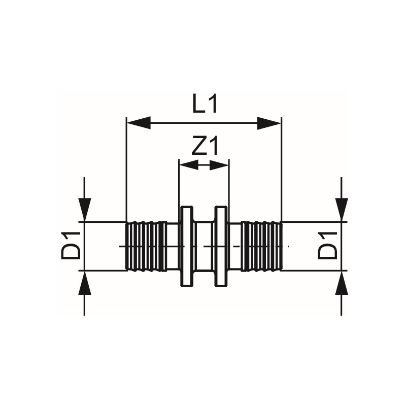
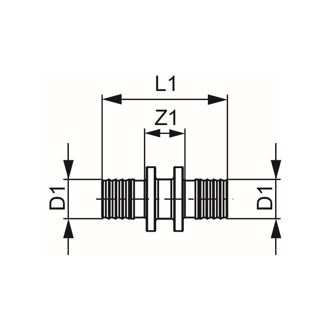
Lengd (L1)
48 mm
Lengd (Z1)
14 mm
Stærð
20 mm
Magn í pakkningu
1 stk
Aukahlutir
Skyldar vörur
Nýlega skoðað
Skyldar vörur
TECE Samtengi 25 mm
TECE Samtengi
Stærð: 25 mm
Vörunúmer: E25706025
Innskrá fyrir verð
Til í vefverslun
TECE Samtengi 32 mm
TECE Samtengi
Stærð: 32 mm
Vörunúmer: E25706032
Innskrá fyrir verð
Til í vefverslun