Smiðjuvegi 68 - 72 - 200 Kópavogi - Sími: 575 9300
Nýskráning
|
Innskráning
|
English
Vörur
Þjónusta
Starfsfólk
Staðsetningar
Vörur
Hafðu samband
Allar staðsetningar
til baka
Vatn & veitur - Kópavogi
Reykjanesbær
Selfoss
Akureyri
Fagkaup - Skrifstofa
Þjónusta
Þjónusta
Reikningsviðskipti
Fyrirtækið
Fréttir
Staðsetningar
Starfsfólk
Um Vatn & veitur
English
Overview
Contact us
Innskráning
Nýskráning
Karfan þín er tóm
Vörur
Neysluvatnslagnir
Hitaveitulagnir
Frárennslislagnir
PP Rör og fittings
PVC Rör og fittings
Hljóðdeyfiplast
Hljóðd. Rör
Hljóðd. Beygjur
Hljóðd. Greinar
Hljóðd. Múffur
Hljóðd. Minnkanir
Hljóðd. Lok
Hljóðd. Hreinsirör
Eldvarnarmúffur
Hljóðeinagrandi skolpfestingar
Göturör Magnacor
Göturör græn KG2000
Dælubrunnar
Brunnar/Sandföng/ Rotþrær
Skiljur
Pott Rör og fittings
Gólf Rennur
Gólfniðurföll
PP Rör og fitt. Hvítt/Kró
PEH Frárennsli
Skolplokar
Festingar og verkfæri
Einangrun og efnavara
Sprinkler og brunavarnir
Stjórnbúnaður
Dælur
Vatnsveitur og snjóbræðsla
Hreinlætistæki - Fylgihlutir
Hitabúnaður
Vatnsveitur
Pípulagnaefni
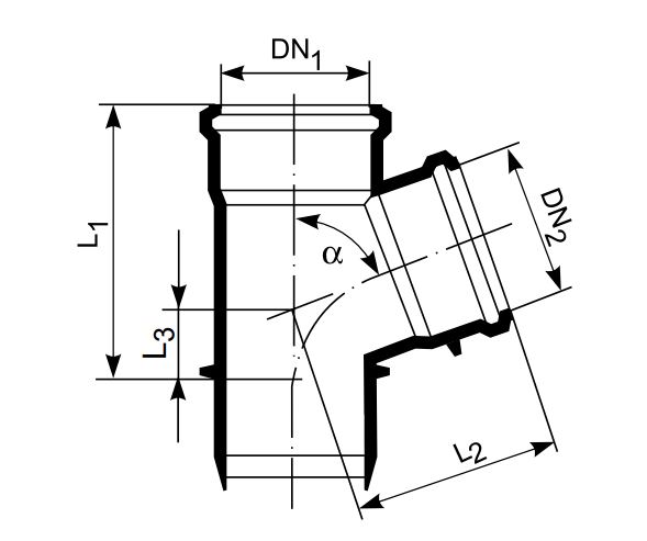
Ultra dB Grein DN110x110 - 45°
Forsíða
>
Frárennslislagnir
>
Hljóðdeyfiplast
>
Hljóðd. Greinar
>
Ultra dB Grein DN110x110 - 45°
Skoða vörur framleiðanda
Innskráðir viðskiptavinir sjá sín verð og geta verslað úr tölvunni eða snjalltækjum.
Lagerstaða:
keflavik
Reykjanesbær
Til á lager
selfoss
Selfossi
Til á lager
vv-kop
Smiðjuvegi 68
Til á lager
0
0
0
160
0
0
0
0
0
0
0
0
568
Vöruhús
Til á lager
Tækniupplýsingar:
Magnaplast_Ultra_dB_Bæklingur.pdf
Magnaplast_Ultra_dB_flyer.pdf
Upplýsingar um vöru
Vörunúmer:
E146460
Ultra dB Grein
Stærð: DN110x110 - 45°
Eiginleikar
Nafn eiginleika
Gildi eiginleika
Flokkur
Hljóðdeyfiplast SKOLAN
Gerð
SKOLAN Greinar
Lengd (L1)
224 mm
Lengd (L2)
195 mm
Lengd (L3)
25 mm
Stærð
DN110x110 - 45°
Horn
45°
Nafnmál 1
110
Nafnmál 2
110
Aukahlutir
Skyldar vörur
Nýlega skoðað
Conex Kónn 12mm
Conex Kónn
Stærð: 12mm
Vörunúmer: E0238112
Innskrá fyrir verð