Smiðjuvegi 68 - 72 - 200 Kópavogi - Sími: 575 9300
Nýskráning
|
Innskráning
|
English
Vörur
Þjónusta
Starfsfólk
Staðsetningar
Vörur
Hafðu samband
Allar staðsetningar
til baka
Vatn & veitur - Kópavogi
Reykjanesbær
Selfoss
Akureyri
Fagkaup - Skrifstofa
Þjónusta
Þjónusta
Reikningsviðskipti
Fyrirtækið
Fréttir
Staðsetningar
Starfsfólk
Um Vatn & veitur
English
Overview
Contact us
Innskráning
Nýskráning
Karfan þín er tóm
Vörur
Neysluvatnslagnir
Hitaveitulagnir
Frárennslislagnir
Festingar og verkfæri
Einangrun og efnavara
Sprinkler og brunavarnir
Stjórnbúnaður
Ofnhitastillar
Hitastillar og segullokar
Slaufulokar og þrýstijafn.
Strenglokar
Tengigrindur með varmask.
Síur og einstefnulokar
Lokar
Þensluker
Loft- og Sandskiljur
Gólfhiti Danfoss
Ofnar og fylgihlutir
Mælar
Hitamælar
Hita og þrýstimælar
Þrýstimælar
Dælur
Vatnsveitur og snjóbræðsla
Hreinlætistæki - Fylgihlutir
Hitabúnaður
Vatnsveitur
Pípulagnaefni
Vökvafylltur þrýstimælir 6 bör - 63mm
Forsíða
>
Stjórnbúnaður
>
Mælar
>
Hita og þrýstimælar
>
Vökvafylltur þrýstimælir 6 bör - 63mm
Skoða vörur framleiðanda
Innskráðir viðskiptavinir sjá sín verð og geta verslað úr tölvunni eða snjalltækjum.
Lagerstaða:
keflavik
Reykjanesbær
Til á lager
selfoss
Selfossi
Til á lager
vv-kop
Smiðjuvegi 68
Til á lager
0
0
0
0
0
0
0
0
0
0
0
0
204
Vöruhús
Til á lager
Tækniupplýsingar:
Cewal_E249123.pdf
Upplýsingar um vöru
Vörunúmer:
E249123
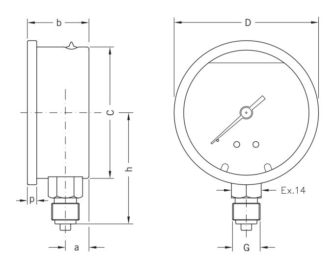
Vökvafylltur Þrýstimælir
Þrýstivið: 0-6bör
Stærð: 63mm
Skrúfgangur: Niður
Eiginleikar
Nafn eiginleika
Gildi eiginleika
Flokkur
Stjórnbúnaður
Gerð
Mælar
Þvermál
63
Þrýstingur (P)
0-6 Bar
Skrúfgangur (Rp)
1/4"
Stærð
0-6 bör - 63mm
A
11 mm
B
29 mm
C
62 mm
D
68 mm
h
53mm
Aukahlutir
Skyldar vörur
Nýlega skoðað