Smiðjuvegi 68 - 72 - 200 Kópavogi - Sími: 575 9300
Nýskráning
|
Innskráning
|
English
Vörur
Þjónusta
Starfsfólk
Staðsetningar
Vörur
Hafðu samband
Allar staðsetningar
til baka
Vatn & veitur - Kópavogi
Reykjanesbær
Selfoss
Akureyri
Fagkaup - Skrifstofa
Þjónusta
Þjónusta
Reikningsviðskipti
Fyrirtækið
Fréttir
Staðsetningar
Starfsfólk
Um Vatn & veitur
English
Overview
Contact us
Innskráning
Nýskráning
Karfan þín er tóm
Vörur
Neysluvatnslagnir
Hitaveitulagnir
Frárennslislagnir
Festingar og verkfæri
Einangrun og efnavara
Sprinkler og brunavarnir
Stjórnbúnaður
Dælur
Miðstöðvardælur
Rafmagnsdælur
Brunndælur
Dælur aukabúnaður
Varahlutir
Vatnsveitur og snjóbræðsla
Hreinlætistæki - Fylgihlutir
Hitabúnaður
Vatnsveitur
Pípulagnaefni
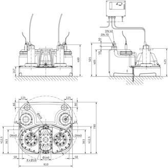
Wilo Skólpdæla M2
Forsíða
>
Dælur
>
Rafmagnsdælur
>
Wilo Skólpdæla M2
Skoða vörur framleiðanda
Innskráðir viðskiptavinir sjá sín verð og geta verslað úr tölvunni eða snjalltækjum.
Staða á vöru:
Væntanlegt
Ekki til á lager
Tækniupplýsingar:
E2072531401.pdf
Leitarorð
Dælur
(47)
,
Dæla
(54)
,
Rafmagnsdælur
(46)
,
Rafmagns dælur
(46)
,
Rafmagnsdæla
(46)
,
Rafmagns dæla
(46)
,
Skólpdælur
(11)
,
Skólpdæla
(11)
,
Skólp dælur
(11)
,
Skólp dæla
(11)
Upplýsingar um vöru
Vörunúmer:
E2072531401
Wilo Dæla
DrainLift M 2/8 RV
Lyftihæð: 8m
Stærð: DN80
Eiginleikar
Nafn eiginleika
Gildi eiginleika
Flokkur
Dælur
Gerð
Dæla
Þvermál
DN80
Hitasvið
3 - 40 °C
Þyngd
91 kg
Aukahlutir
Skyldar vörur
Nýlega skoðað