Smiðjuvegi 68 - 72 - 200 Kópavogi - Sími: 575 9300
Nýskráning
|
Innskráning
|
English
Vörur
Þjónusta
Starfsfólk
Staðsetningar
Vörur
Hafðu samband
Allar staðsetningar
til baka
Vatn & veitur - Kópavogi
Reykjanesbær
Selfoss
Akureyri
Fagkaup - Skrifstofa
Þjónusta
Þjónusta
Reikningsviðskipti
Fyrirtækið
Fréttir
Staðsetningar
Starfsfólk
Um Vatn & veitur
English
Overview
Contact us
Innskráning
Nýskráning
Karfan þín er tóm
Vörur
Neysluvatnslagnir
Hitaveitulagnir
Frárennslislagnir
Festingar og verkfæri
Einangrun og efnavara
Sprinkler og brunavarnir
Grópaður
Sprinkler stjórnbúnaður
Sprinkler Stútar og verkfæri
Sprinkler Barkar
Brunaslöngur
PP-R Sprinkler
PP-R FS Rör
PP-R FS Hné
PP-R FS Nippilhné
PP-R FS Vegg- og múffuhné
PP-R FS Té
PP-R FS Té
PP-R FS Krossar
PP-R FS Minnkanir
PP-R FS Söðlar
PP-R FS Múffur
PP-R FS Múffutengi
PP-R FS Nippiltengi
PP-R FS Lok
Stjórnbúnaður
Dælur
Vatnsveitur og snjóbræðsla
Hreinlætistæki - Fylgihlutir
Hitabúnaður
Vatnsveitur
Pípulagnaefni
PP-R FS Múffutengi 40mm x 1 1/2"
Forsíða
>
Sprinkler og brunavarnir
>
PP-R Sprinkler
>
PP-R FS Múffutengi
>
PP-R FS Múffutengi 40mm x 1 1/2"
Skoða vörur framleiðanda
Innskráðir viðskiptavinir sjá sín verð og geta verslað úr tölvunni eða snjalltækjum.
Lagerstaða:
keflavik
Reykjanesbær
Til á lager
selfoss
Selfossi
Til á lager
vv-kop
Smiðjuvegi 68
Til á lager
0
0
0
0
0
0
0
0
0
0
0
0
220
Vöruhús
Til á lager
Tækniupplýsingar:
PPr vörulisti.pdf
Leitarorð
RAUTT
(110)
,
Rauður
(110)
,
PP-R
(461)
,
PPR
(461)
,
Aquatherm
(462)
,
Brunavarnir
(110)
,
Brunavörn
(110)
,
FS
(110)
,
Sprinkler
(118)
,
Sprinklermúffutengi
(13)
,
Sprinkler-Múffu-Tengi
(13)
,
Múffutengi
(39)
,
Múffu-Tengi
(18)
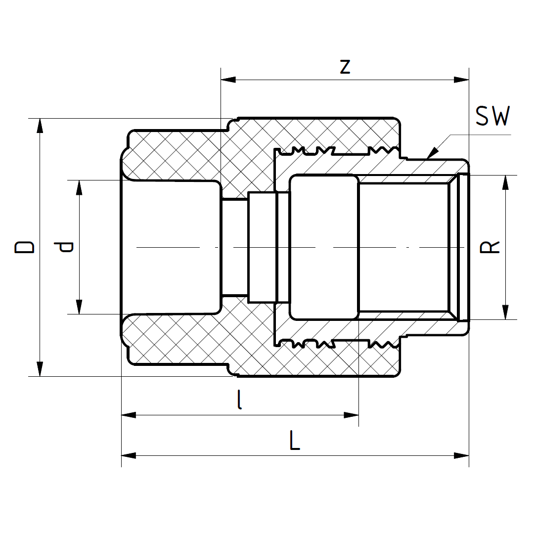
Upplýsingar um vöru
Vörunúmer:
E17S4121154
PPr Múffutengi fyrir sprinkler
Stærð: 40mm x 1 1/2"
Litur: Rauður
Eiginleikar
Nafn eiginleika
Gildi eiginleika
Flokkur
Sprinkler og brunavarnir
Tegund
PPr Sprinkler
Gerð
PPr FS Múffutengi
Þvermál
40 mm
Þvermál (2)
1 1/2"
Aukahlutir
Skyldar vörur
Nýlega skoðað
Byggt á vali þínu, gætir þú einnig haft áhuga á eftirfarandi vörum
PP-R FS Múffa 40mm
PPr Múffa fyrir sprinkler
Stærð: 40mm
Litur: Rauður
Vörunúmer: E17S4111014
Innskrá fyrir verð
Til í vefverslun
PP-R FS Minnkun 40x32mm
PPr Minnkun fyrir sprinkler
Stærð: 40x32mm
Litur: Rauður
Vörunúmer: E17S4111122
Innskrá fyrir verð
Til í vefverslun
PP-R FS Minnkun 50x40mm
PPr Minnkun fyrir sprinkler
Stærð: 50x40mm
Litur: Rauður
Vörunúmer: E17S4111130
Innskrá fyrir verð
Til í vefverslun
PP-R FS Hné 40mm
PPr Hné fyrir sprinkler
Stærð: 40mm
Litur: Rauður
Vörunúmer: E17S4112114
Innskrá fyrir verð
Til í vefverslun
PP-R FS Nippil Hné 40mm
PPr Nippil Hné fyrir sprinkler
Stærð: 40mm
Litur: Rauður
Vörunúmer: E17S4112314
Innskrá fyrir verð
Til í vefverslun
PP-R FS Hálfhné 40mm
PPr Hálfhné fyrir sprinkler
Stærð: 40mm
Litur: Rauður
Vörunúmer: E17S4112514
Innskrá fyrir verð
Til í vefverslun
PP-R FS Nippil Hálfhné 40mm
PPr Nippil Hálfhné fyrir sprinkler
Stærð: 40mm
Litur: Rauður
Vörunúmer: E17S4112714
Innskrá fyrir verð
Til í vefverslun
PP-R FS Té 40mm
PPr Té fyrir sprinkler
Stærð: 40mm
Litur: Rauður
Vörunúmer: E17S4113114
Innskrá fyrir verð
Til í vefverslun
PP-R FS Té 40x25x40mm
PPr Té fyrir sprinkler
Stærð: 40x25x40mm
Litur: Rauður
Vörunúmer: E17S4113544
Innskrá fyrir verð
Til í vefverslun
PP-R FS Té 40x32x40mm
PPr Té fyrir sprinkler
Stærð: 40x32x40mm
Litur: Rauður
Vörunúmer: E17S4113546
Innskrá fyrir verð
Til í vefverslun
PP-R FS Té 50x40x50mm
PPr Té fyrir sprinkler
Stærð: 50x40x50mm
Litur: Rauður
Vörunúmer: E17S4113551
Innskrá fyrir verð
Til í vefverslun
PP-R FS Té 63x40x63mm
PPr Té fyrir sprinkler
Stærð: 63x40x63mm
Litur: Rauður
Vörunúmer: E17S4113558
Innskrá fyrir verð
Til í vefverslun
PP-R FS Té 75x40x75mm
PPr Té fyrir sprinkler
Stærð: 75x40x75mm
Litur: Rauður
Vörunúmer: E17S4113566
Innskrá fyrir verð
Til í vefverslun
PP-R FS Kross 40mm
PPr Kross fyrir sprinkler
Stærð: 40mm
Litur: Rauður
Vörunúmer: E17S4113714
Innskrá fyrir verð
Til í vefverslun
PP-R FS Lok 40mm
PPr Lok fyrir sprinkler
Stærð: 40mm
Litur: Rauður
Vörunúmer: E17S4114114
Innskrá fyrir verð
Til í vefverslun
PP-R FS Söðull 40x25mm
PPr Söðull fyrir sprinkler
Stærð: 40x25mm
Litur: Rauður
Vörunúmer: E17S4115158
Innskrá fyrir verð
Til í vefverslun
PP-R FS Söðull 75x40mm
PPr Söðull fyrir sprinkler
Stærð: 75x40mm
Litur: Rauður
Vörunúmer: E17S4115175
Innskrá fyrir verð
Til í vefverslun
PP-R FS Nippiltengi 40mm x 1"
PPr Nippiltengi fyrir sprinkler
Stærð: 40mm x 1"
Litur: Rauður
Vörunúmer: E17S4121317
Innskrá fyrir verð
Til í vefverslun
PP-R FS Nippiltengi 40mm x 1 1/4"
PPr Nippiltengi fyrir sprinkler
Stærð: 40mm x 1 1/4"
Litur: Rauður
Vörunúmer: E17S4121318
Innskrá fyrir verð
Til í vefverslun
PP-R FS Múffuhné 40mm x 1/2"
PPr Múffuhné fyrir sprinkler
Stærð: 40mm x 1/2"
Litur: Rauður
Vörunúmer: E17S4123020
Innskrá fyrir verð
Til í vefverslun
PP-R FS Múffuhné 40mm x 1"
PPr Múffuhné fyrir sprinkler
Stærð: 40mm x 1"
Litur: Rauður
Vörunúmer: E17S4123022
Innskrá fyrir verð
Til í vefverslun
PP-R FS Rör 40x5,5mm - 6m
PPr Rör fyrir sprinkler
Stærð: 40x5,5mm
Lengd: 6m
Litur: Rauður
Vörunúmer: E17S4170714
Innskrá fyrir verð
Til í vefverslun
Skyldar vörur
PP-R FS Múffutengi 25mm x 1/2"
PPr Múffutengi fyrir sprinkler
Stærð: 25mm x 1/2"
Litur: Rauður
Vörunúmer: E17S4121111
Innskrá fyrir verð
Til í vefverslun
PP-R FS Múffutengi 25mm x 3/4"
PPr Múffutengi fyrir sprinkler
Stærð: 25mm x 3/4"
Litur: Rauður
Vörunúmer: E17S4121112
Innskrá fyrir verð
Til í vefverslun
PP-R FS Múffutengi 32mm x 3/4"
PPr Múffutengi fyrir sprinkler
Stærð: 32mm x 3/4"
Litur: Rauður
Vörunúmer: E17S4121113
Innskrá fyrir verð
Til í vefverslun
PP-R FS Múffutengi 32mm x 1"
PPr Múffutengi fyrir sprinkler
Stærð: 32mm x 1"
Litur: Rauður
Vörunúmer: E17S4121114
Innskrá fyrir verð
Til í vefverslun
PP-R FS Múffutengi 40mm x 1"
PPr Múffutengi fyrir sprinkler
Stærð: 40mm x 1"
Litur: Rauður
Vörunúmer: E17S4121115
Innskrá fyrir verð
Til í vefverslun
PP-R FS Múffutengi 40mm x 1 1/4"
PPr Múffutengi fyrir sprinkler
Stærð: 40mm x 1 1/4"
Litur: Rauður
Vörunúmer: E17S4121116
Innskrá fyrir verð
Til í vefverslun
PP-R FS Múffutengi 50mm x 1 1/4"
PPr Múffutengi fyrir sprinkler
Stærð: 50mm x 1 1/4"
Litur: Rauður
Vörunúmer: E17S4121117
Innskrá fyrir verð
Til í vefverslun
PP-R FS Múffutengi 50mm x 1 1/2"
PPr Múffutengi fyrir sprinkler
Stærð: 50mm x 1 1/2"
Litur: Rauður
Vörunúmer: E17S4121118
Innskrá fyrir verð
Til í vefverslun
PP-R FS Múffutengi 63mm x 1 1/2"
PPr Múffutengi fyrir sprinkler
Stærð: 63mm x 1 1/2"
Litur: Rauður
Vörunúmer: E17S4121119
Innskrá fyrir verð
Til í vefverslun
PP-R FS Múffutengi 63mm x 2"
PPr Múffutengi fyrir sprinkler
Stærð: 63mm x 2"
Litur: Rauður
Vörunúmer: E17S4121120
Innskrá fyrir verð
Til í vefverslun
PP-R FS Múffutengi 75mm x 2"
PPr Múffutengi fyrir sprinkler
Stærð: 75mm x 2"
Litur: Rauður
Vörunúmer: E17S4121122
Innskrá fyrir verð
Til í vefverslun
PP-R FS Múffutengi 32mm x 1 1/2"
PPr Múffutengi fyrir sprinkler
Stærð: 32mm x 1 1/2"
Litur: Rauður
Vörunúmer: E17S4121153
Innskrá fyrir verð
Til í vefverslun
Viðgerðarklemma 243-253mm / 500mm
Viðgerðarklemma
Stærð: 243-253mm / 500mm
Vörunúmer: E1024350
Innskrá fyrir verð
Til í vefverslun
Viðgerðarklemma 95-104mm / 200mm
Viðgerðarklemma
Stærð: 95-104mm / 200mm
Vörunúmer: E1009520
Innskrá fyrir verð
Til í vefverslun
PP-R FS Múffutengi 32mm x 1 1/2"
PPr Múffutengi fyrir sprinkler
Stærð: 32mm x 1 1/2"
Litur: Rauður
Vörunúmer: E17S4121153
Innskrá fyrir verð
Til í vefverslun