Smiðjuvegi 68 - 72 - 200 Kópavogi - Sími: 575 9300
Nýskráning
|
Innskráning
|
English
Vörur
Þjónusta
Starfsfólk
Staðsetningar
Vörur
Hafðu samband
Allar staðsetningar
til baka
Vatn & veitur - Kópavogi
Reykjanesbær
Selfoss
Akureyri
Fagkaup - Skrifstofa
Þjónusta
Þjónusta
Reikningsviðskipti
Fyrirtækið
Fréttir
Staðsetningar
Starfsfólk
Um Vatn & veitur
English
Overview
Contact us
Innskráning
Nýskráning
Karfan þín er tóm
Vörur
Neysluvatnslagnir
Hitaveitulagnir
Frárennslislagnir
Festingar og verkfæri
Einangrun og efnavara
Sprinkler og brunavarnir
Grópaður
Sprinkler stjórnbúnaður
Sprinkler Stútar og verkfæri
Sprinkler Barkar
Brunaslöngur
PP-R Sprinkler
PP-R FS Rör
PP-R FS Hné
PP-R FS Nippilhné
PP-R FS Vegg- og múffuhné
PP-R FS Té
PP-R FS Té
PP-R FS Krossar
PP-R FS Minnkanir
PP-R FS Söðlar
PP-R FS Múffur
PP-R FS Múffutengi
PP-R FS Nippiltengi
PP-R FS Lok
Stjórnbúnaður
Dælur
Vatnsveitur og snjóbræðsla
Hreinlætistæki - Fylgihlutir
Hitabúnaður
Vatnsveitur
Pípulagnaefni
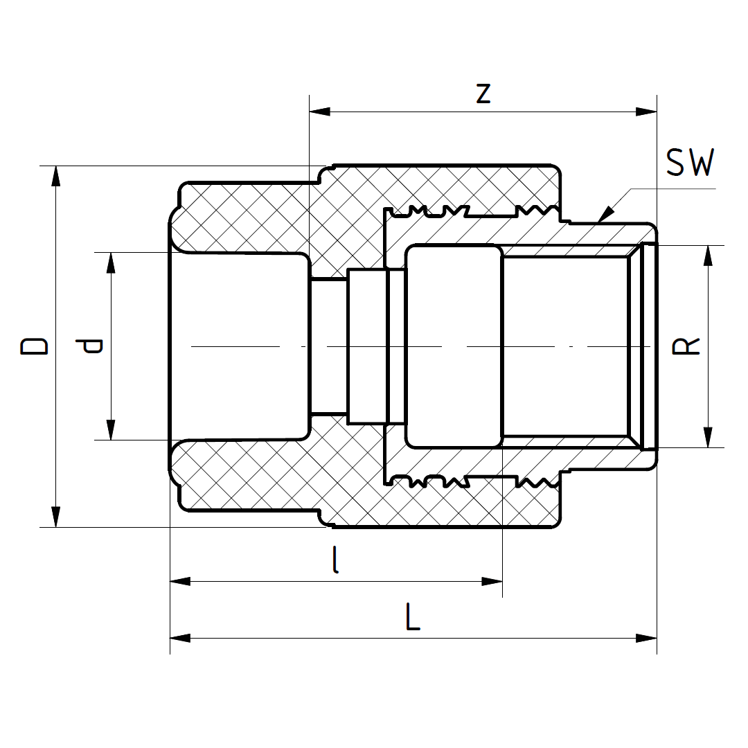
PP-R FS Múffutengi 50mm x 1 1/2"
Forsíða
>
Sprinkler og brunavarnir
>
PP-R Sprinkler
>
PP-R FS Múffutengi
>
PP-R FS Múffutengi 50mm x 1 1/2"
Skoða vörur framleiðanda
Innskráðir viðskiptavinir sjá sín verð og geta verslað úr tölvunni eða snjalltækjum.
Lagerstaða:
keflavik
Reykjanesbær
Til á lager
selfoss
Selfossi
Til á lager
vv-kop
Smiðjuvegi 68
Til á lager
0
0
0
0
0
0
0
0
0
0
0
0
190
Vöruhús
Til á lager
Tækniupplýsingar:
PPr vörulisti.pdf
Leitarorð
RAUTT
(110)
,
Rauður
(110)
,
PP-R
(461)
,
PPR
(461)
,
Aquatherm
(462)
,
Brunavarnir
(110)
,
Brunavörn
(110)
,
FS
(110)
,
Sprinkler
(118)
,
Sprinklermúffutengi
(13)
,
Sprinkler-Múffu-Tengi
(13)
,
Múffutengi
(39)
,
Múffu-Tengi
(18)
Upplýsingar um vöru
Vörunúmer:
E17S4121118
PPr Múffutengi fyrir sprinkler
Stærð: 50mm x 1 1/2"
Litur: Rauður
Eiginleikar
Nafn eiginleika
Gildi eiginleika
Flokkur
Sprinkler og brunavarnir
Tegund
PPr Sprinkler
Gerð
PPr FS Múffutengi
Þvermál
50
Þvermál (2)
1 1/2"
Aukahlutir
Skyldar vörur
Nýlega skoðað
Byggt á vali þínu, gætir þú einnig haft áhuga á eftirfarandi vörum
PP-R FS Múffa 50mm
PPr Múffa fyrir sprinkler
Stærð: 50mm
Litur: Rauður
Vörunúmer: E17S4111016
Innskrá fyrir verð
Til í vefverslun
PP-R FS Minnkun 50x20mm
PPr Minnkun fyrir sprinkler
Stærð: 50x20mm
Litur: Rauður
Vörunúmer: E17S4111124
Innskrá fyrir verð
Til í vefverslun
PP-R FS Minnkun 50x32mm
PPr Minnkun fyrir sprinkler
Stærð: 50x32mm
Litur: Rauður
Vörunúmer: E17S4111128
Innskrá fyrir verð
Til í vefverslun
PP-R FS Minnkun 50x40mm
PPr Minnkun fyrir sprinkler
Stærð: 50x40mm
Litur: Rauður
Vörunúmer: E17S4111130
Innskrá fyrir verð
Til í vefverslun
PP-R FS Minnkun 75x50mm
PPr Minnkun fyrir sprinkler
Stærð: 75x50mm
Litur: Rauður
Vörunúmer: E17S4111140
Innskrá fyrir verð
Til í vefverslun
PP-R FS Hné 50mm
PPr Hné fyrir sprinkler
Stærð: 50mm
Litur: Rauður
Vörunúmer: E17S4112116
Innskrá fyrir verð
Til í vefverslun
PP-R FS Hálfhné 50mm
PPr Hálfhné fyrir sprinkler
Stærð: 50mm
Litur: Rauður
Vörunúmer: E17S4112516
Innskrá fyrir verð
Til í vefverslun
PP-R FS Té 50mm
PPr Té fyrir sprinkler
Stærð: 50mm
Litur: Rauður
Vörunúmer: E17S4113116
Innskrá fyrir verð
Til í vefverslun
PP-R FS Té 50x32x50mm
PPr Té fyrir sprinkler
Stærð: 50x32x50mm
Litur: Rauður
Vörunúmer: E17S4113550
Innskrá fyrir verð
Til í vefverslun
PP-R FS Té 50x40x50mm
PPr Té fyrir sprinkler
Stærð: 50x40x50mm
Litur: Rauður
Vörunúmer: E17S4113551
Innskrá fyrir verð
Til í vefverslun
PP-R FS Té 63x50x63mm
PPr Té fyrir sprinkler
Stærð: 63x50x63mm
Litur: Rauður
Vörunúmer: E17S4113560
Innskrá fyrir verð
Til í vefverslun
PP-R FS Té 75x50x75mm
PPr Té fyrir sprinkler
Stærð: 75x50x75mm
Litur: Rauður
Vörunúmer: E17S4113568
Innskrá fyrir verð
Til í vefverslun
PP-R FS Lok 50mm
PPr Lok fyrir sprinkler
Stærð: 50mm
Litur: Rauður
Vörunúmer: E17S4114116
Innskrá fyrir verð
Til í vefverslun
PP-R FS Söðull 50x25mm
PPr Söðull fyrir sprinkler
Stærð: 50x25mm
Litur: Rauður
Vörunúmer: E17S4115162
Innskrá fyrir verð
Til í vefverslun
PP-R FS Nippiltengi 50mm x 1 1/4"
PPr Nippiltengi fyrir sprinkler
Stærð: 50mm x 1 1/4"
Litur: Rauður
Vörunúmer: E17S4121319
Innskrá fyrir verð
Til í vefverslun
PP-R FS Nippiltengi 50mm x 1 1/2"
PPr Nippiltengi fyrir sprinkler
Stærð: 50mm x 1 1/2"
Litur: Rauður
Vörunúmer: E17S4121320
Innskrá fyrir verð
Til í vefverslun
PP-R FS Rör 50x6,9mm - 6m
PPr Rör fyrir sprinkler
Stærð: 50x6,9mm
Lengd: 6m
Litur: Rauður
Vörunúmer: E17S4170716
Innskrá fyrir verð
Skyldar vörur
PP-R FS Múffutengi 25mm x 1/2"
PPr Múffutengi fyrir sprinkler
Stærð: 25mm x 1/2"
Litur: Rauður
Vörunúmer: E17S4121111
Innskrá fyrir verð
Til í vefverslun
PP-R FS Múffutengi 25mm x 3/4"
PPr Múffutengi fyrir sprinkler
Stærð: 25mm x 3/4"
Litur: Rauður
Vörunúmer: E17S4121112
Innskrá fyrir verð
Til í vefverslun
PP-R FS Múffutengi 32mm x 3/4"
PPr Múffutengi fyrir sprinkler
Stærð: 32mm x 3/4"
Litur: Rauður
Vörunúmer: E17S4121113
Innskrá fyrir verð
Til í vefverslun
PP-R FS Múffutengi 32mm x 1"
PPr Múffutengi fyrir sprinkler
Stærð: 32mm x 1"
Litur: Rauður
Vörunúmer: E17S4121114
Innskrá fyrir verð
Til í vefverslun
PP-R FS Múffutengi 40mm x 1"
PPr Múffutengi fyrir sprinkler
Stærð: 40mm x 1"
Litur: Rauður
Vörunúmer: E17S4121115
Innskrá fyrir verð
Til í vefverslun
PP-R FS Múffutengi 40mm x 1 1/4"
PPr Múffutengi fyrir sprinkler
Stærð: 40mm x 1 1/4"
Litur: Rauður
Vörunúmer: E17S4121116
Innskrá fyrir verð
Til í vefverslun
PP-R FS Múffutengi 50mm x 1 1/4"
PPr Múffutengi fyrir sprinkler
Stærð: 50mm x 1 1/4"
Litur: Rauður
Vörunúmer: E17S4121117
Innskrá fyrir verð
Til í vefverslun
PP-R FS Múffutengi 63mm x 1 1/2"
PPr Múffutengi fyrir sprinkler
Stærð: 63mm x 1 1/2"
Litur: Rauður
Vörunúmer: E17S4121119
Innskrá fyrir verð
Til í vefverslun
PP-R FS Múffutengi 63mm x 2"
PPr Múffutengi fyrir sprinkler
Stærð: 63mm x 2"
Litur: Rauður
Vörunúmer: E17S4121120
Innskrá fyrir verð
Til í vefverslun
PP-R FS Múffutengi 75mm x 2"
PPr Múffutengi fyrir sprinkler
Stærð: 75mm x 2"
Litur: Rauður
Vörunúmer: E17S4121122
Innskrá fyrir verð
Til í vefverslun
PP-R FS Múffutengi 32mm x 1 1/2"
PPr Múffutengi fyrir sprinkler
Stærð: 32mm x 1 1/2"
Litur: Rauður
Vörunúmer: E17S4121153
Innskrá fyrir verð
Til í vefverslun
PP-R FS Múffutengi 40mm x 1 1/2"
PPr Múffutengi fyrir sprinkler
Stærð: 40mm x 1 1/2"
Litur: Rauður
Vörunúmer: E17S4121154
Innskrá fyrir verð
Til í vefverslun
Té 3/4" - 1" - 1/2" Svart
Té
Stærð: 3/4"-1"-1/2"
Efnisgerð: Svart stál
Vörunúmer: E100130231Z
Innskrá fyrir verð
Til í vefverslun