Smiðjuvegi 68 - 72 - 200 Kópavogi - Sími: 575 9300
Nýskráning
|
Innskráning
|
English
Vörur
Þjónusta
Starfsfólk
Staðsetningar
Vörur
Hafðu samband
Allar staðsetningar
til baka
Vatn & veitur - Kópavogi
Reykjanesbær
Selfoss
Akureyri
Fagkaup - Skrifstofa
Þjónusta
Þjónusta
Reikningsviðskipti
Fyrirtækið
Fréttir
Staðsetningar
Starfsfólk
Um Vatn & veitur
English
Overview
Contact us
Innskráning
Nýskráning
Karfan þín er tóm
Vörur
Neysluvatnslagnir
Galv. skrúfað
Ryðfrítt skrúfað
Lím fittings
U-PVC Rör
PVC Barkar
U-PVC Hné
U-PVC Nippil Hné
U-PVC Té
U-PVC Múffur
U-PVC Minnkanir
U-PVC Múffutengi
U-PVC Brjóstnipplar
U-PVC Nippilformúffur
U-PVC Nippiltengi
U-PVC Unionar
U-PVC Lok
U-PVC Slöngutengi
U-PVC Hálf hné
U-PVC Flangsar og Gúmmípk.
U-PVC Krossar
U-PVC Snittaðar minnkanir
U-PVC Fylgihlutir og festingar
Lím og hreinsir
PVC Kúlulokar
PVC Spjaldlokar
PVC Einstreymislokar
Kopar skrúfað
Pressefni Ál-Pex
Álpex ádregið
PP-R lagnir
Pressefni Ryðfrítt
Hitaveitulagnir
Frárennslislagnir
Festingar og verkfæri
Einangrun og efnavara
Sprinkler og brunavarnir
Stjórnbúnaður
Dælur
Vatnsveitur og snjóbræðsla
Hreinlætistæki - Fylgihlutir
Hitabúnaður
Vatnsveitur
Pípulagnaefni
PVC Lím Múffu-Nippil-Nippiltengi 25/32mm x 1"
Forsíða
>
Neysluvatnslagnir
>
Lím fittings
>
U-PVC Múffutengi
>
PVC Lím Múffu-Nippil-Nippiltengi 25/32mm x 1"
Skoða vörur framleiðanda
Innskráðir viðskiptavinir sjá sín verð og geta verslað úr tölvunni eða snjalltækjum.
Lagerstaða:
keflavik
Reykjanesbær
Til á lager
selfoss
Selfossi
Til á lager
vv-kop
Smiðjuvegi 68
Til á lager
0
0
0
0
0
0
0
0
0
0
0
0
542
Vöruhús
Til á lager
Tækniupplýsingar:
VDL_Installation.pdf
VDL_ISO_Vottun.pdf
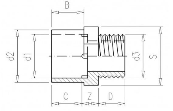
Upplýsingar um vöru
Vörunúmer:
E01628025323
Múffu-Nippil-Nippiltengi
Stærð: 25/32mm x 1"
Límt PVC
Eiginleikar
Nafn eiginleika
Gildi eiginleika
Flokkur
Límd Rör og Fittings
Gerð
Múffutengi
Þvermál
25
Þvermál (2)
32mm
Þvermál (3)
1"
Þvermál (d1)
25mm mm
Þvermál (d2)
32mm mm
Þvermál (d3)
1" (M) "
Þvermál (D)
21mm mm
Þrýstiþol (PN)
16 bar Bar
Þvermál Róar (S)
36mm mm
Lengd (Z)
8mm mm
Múffa (B)
19mm mm
Skrúfgangur (C)
19mm mm
Stærð
25/32mm x 1"
Magn í pakkningu
300
Aukahlutir
Skyldar vörur
Nýlega skoðað
Suðu borbaula DN 315/25 - SDR 11
Suðu borbaula
Stærð: DN 315/25 - SDR 11
Vörunúmer: ECPSP315032
Innskrá fyrir verð
Til í vefverslun
Ryðfrír Slöngukrani 1/2 x 3/4"
Ryðfrír slöngukrani
½ x ¾"
Vörunúmer: E10201101
Innskrá fyrir verð
Press Té Ryðfrítt 54x18x54mm
Press Té
Stærð: 54x18x54mm
Efnisgerð: Ryðfrítt stál
Vörunúmer: E372131541854
Innskrá fyrir verð
Til í vefverslun
PVC Lím Múffu-Nippil-Nippiltengi 32/40mm x 3/4"
Múffu-Nippil-Nippiltengi
Stærð: 32/40mm x 3/4"
Límt PVC
Vörunúmer: E01628032402
Innskrá fyrir verð
Til í vefverslun